
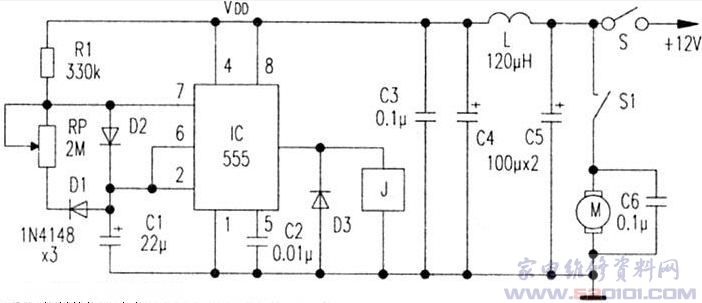
如图所示,雨刷控制电路由一个振荡器和控制电路组成。控制雨刷摆动5秒后,再间停0~30秒时间。间停时间视车外雨的大小适时进行调节。
555和R1、RP、C1及D1、D2接成无稳态多谐振荡器。振荡频率由555电路的充、放电时间常数决定。 充电时间t充=0.693R1C1, 放电时间t放=0.693RPC1。图示参数对应的充电时间约5秒,放电时间视电位器滑动臂的位置,在0~30秒范围,可自行调节。多谐振荡的周期T=t充+t放=0.693(R1+RP)C1。可见,其周期长度和占空比都可以调节。
在刚通电时,②脚为低电平,使555置位,③脚呈高电平,继电器吸合,电机M得电运转,带动雨刷摆动。随着C1通过R1、D2的充电,当Cl上的电位高于⑥脚的触发电平2/3VDD时,电路复位,③脚呈低电平,电机停转,雨刷停摆。C1充电到2/3VDD对应的时间,即工作时间。C1通过D1、RP到555的内部放电管放电,放至低于1/3VDD的这段时间,即间停时间。周而复始,自行运转。
网友评论