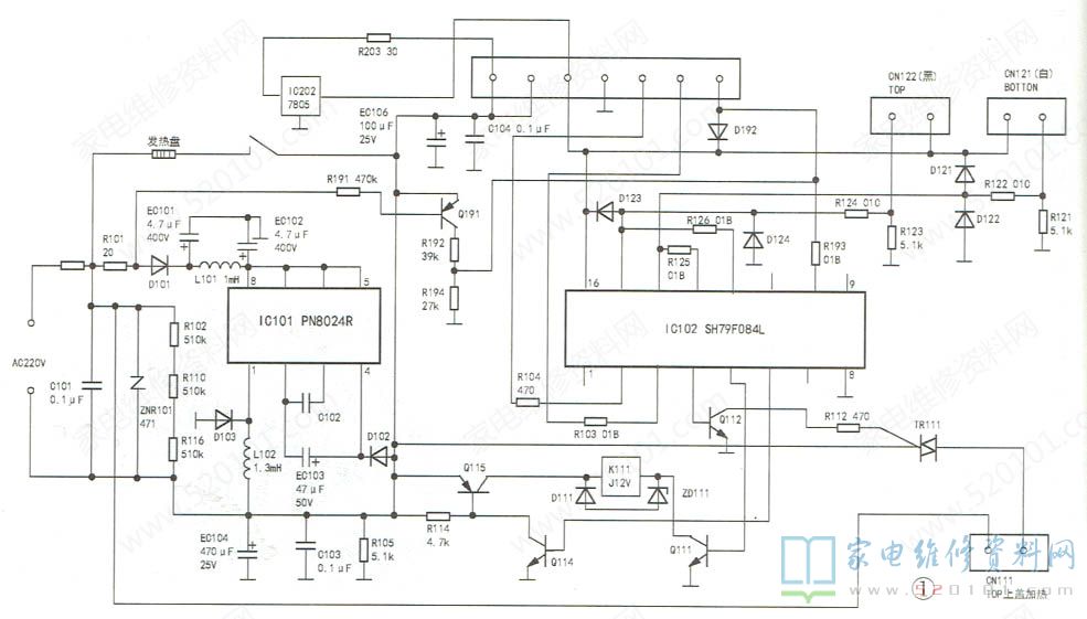
美的MB-WFS4017TM电饭锅的电源板上有两块芯片,IC101是电源芯片,型号是PN8024R;IC102是单片机,型号是SH79F084L,实绘电路如图1所示。交流220V电压经R101和D101整流,EC101、L101、EC102滤波后得到约300V脉动直流电压,通过IC101变换成12V直流电压,再经三端稳压器IC202输出5V电压(IC101 和R203安装在面板上)。Q191为过零检测管,R191是交流电压过零取样电阻。当交流电压幅值小于12V时,Q191导通,c极输出的高电平经R192和R194分压后,送给IC102的10脚,以及面板的ZERO(过零检测)端。
当交流电压幅值大于12V时,Q191截止,c极输出低电平,其波形如图2所示。CPU据此判断交流电压过零时间并发出动作指令。CN122外接锅底温度传感器(常温时阻值约100k),其信号送至IC102写脚。D123和D124是钳位二极管。
CN121外接上盖温度传感器,其信号送往IC102④脚,D121和D122是钳位二极管。CN111外接上盖加热器。当IC102④脚发出高电平信号时,Q112导通。双向可控硅TR111的K极接+12V,此时TR111因G极得到一个负偏置电压而导通,上盖加热器工作。底板加热器由K111控制,而K111受Q115和Q111的双重控制,只有IC102⑤、⑥脚同时为高电平时,Q111、Q114、Q115都导通,K11吸合,须注意的是,Q112~Q115为带阻三极管。D111和ZD111的作用是在继电器截止时吸收线圈产生的反电动势。面板控制芯片和IC102的数据通讯线为RXD和TXD,IC102②脚读取面板控制芯片发出的数据,③脚向面板控制芯片发出数据。交流电源输入端的C104和R102、R110、R116组成浪涌电压吸收电路,ZNR101是过压保护压敏电阻。
维修实例:一台美的MB-WFS4017TM电饭锅,上电后面板不亮,电源进线处的保险丝已经熔断。
分析检修:在路测量,发现TR111已击穿,R112和Q112完好,EC102.EC104两端无短路现象,换好保险丝先不装TR111,拔下通往控制面板的CN101连线,上电测EC104两端电压达24V,因K111线圈电压是12V,且EC104的耐压是25V,如果输出电压是24V,则滤波电容耐压应选用35V。是否因空载引起输出电压上升呢?在EC104两端并联一只1k电阻后再测,电压降到12V。TR111 型号是BT136 600B,是一只电流为4A、耐压600V的双向可控硅。因上盖加热器功率仅100W,工作电流约0.5A左右,判断TR111烧坏的原因可能是负载短路。查看锅盖发热器的电线,发现在锅盖转动处有短路打火痕迹,且其中一根已经烧断。由于锅盖加热器作用不大,索性不装TR111,插好面板后连线试机,故障排除。

网友评论