接修一台JYC-21HS29型电磁炉,最初因为不通电而送修,别人维修无果而送修我处修理。拆机检查,发现电源芯片(IC500)已拆,初步判定故障在电源部分。查询资料,得知该机电源芯片为OB2226。仔细检查IC500外围电路,唯有①脚VDD供电端外接电阻R501(2M、1/2W)开路。更换IC500和R501后通电,电磁炉蜂鸣器发出“嘀"声,显示屏也随之点亮;接上线盘试机,机内“嘭”-声响后,IGBT和桥堆击穿。更换这两只元件后,在电源进线处串联一只白炽灯,上电试机(未按电源开关键),灯泡明暗闪烁,显示屏也随着灯泡一亮一灭。 这说明主电路有大电流流过,在灯泡两端产生了较大的压降,供给IC500的电源瞬间被拉低,造成电源无输出,于是显示屏也跟随灯泡的闪烁而亮灭变化。由此判断,IGBT驱动电路或MCU有故障。

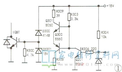
      该机IGBT驱动电路如图1所示,三极管Q300、Q301为IGBT驱动管。经查,Q201未安装,则IGBT不受MCU控制,上电后IGBT因G极一-直为高电位,IGBT因失控而击穿。装上Q201后试机,电磁炉虽然加热正常,且各项功能调节也正常,但整机电流保持在5A左右,调不上去,即使屏幕显示功率为2100W ,但实际功率只有1100W左右,看来PWM电路还有问题。该机功率调整电路如图2所示。经查,电阻R103未安装。装上R103后试机,加热正常,故障排除。