该吸尘器原用的电机型号是K22DO1-1400W(单相串励电机),其下口直径为120mm, 上口直径为83mm,总高度为113mm(含进风口的挡圈高度),可用P22D01、P22D02-AL(1200W)、P22D04-AL (1200W )、P2D05-AL (1200W)、K22D01-AL(1200W)代换(型号后级“AL"的电机线圈是铝线圈,不带后缀“AL"的是铜线圈)。笔者换用P22D05-1200W电机后试机,故障排除。
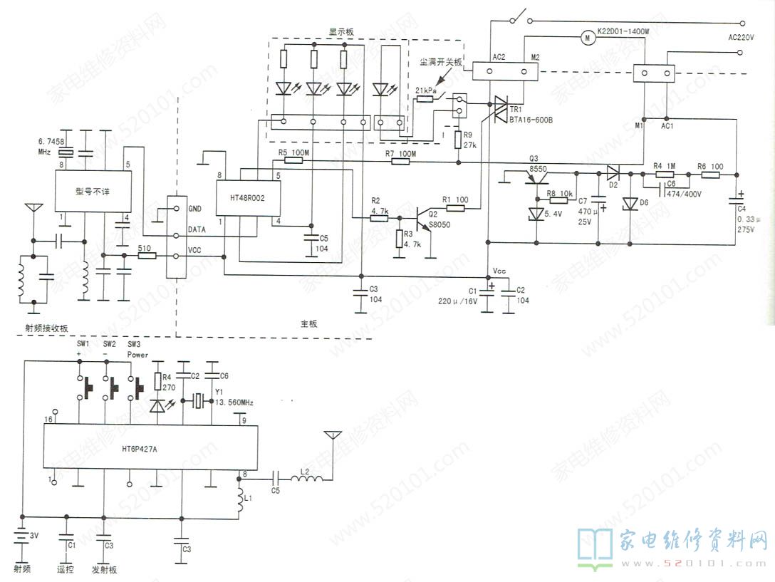
该机实测电路如图1所示,操作手柄上设计有射频发射电路,芯片为HOLTEK公司生产的HT6P427A,其13~15脚分别接POWER及“-、+”按键。按下按键时,12脚驱动发光二极管指示电路工作状态。射频接收部分采用一只⑧脚IC (型号不详),射频信号从②脚输入,从射频载波中解调分离出的DATA控制信号从⑤脚输出。主控MCU用的是HOLTEK的HT48R0O2,DATA控制信号从③脚输入,⑦脚输出脉宽信号,控制Q2和可控硅TR1的导通时间,使加在电机两端的电压可调:关闭时,电机两端电压为0V;开启时,电机两端电压为76V-220V(可调)。由于该电压是可控硅斩波的非正弦波,用一般数字万用表测量其值略有出入。②、④、⑥脚驱动发光二极管,指示电机功率大小。①脚是IC正电源端,⑤脚是电源监测脚。Q3和外围元件组成5V稳压电路,给低压电路供电。
接修一台美的VC16C4-RG型吸尘器,故障现象是上电后电机立即转动,并发出浓烈的烧焦气味;操作手柄上的“开/关机”、“电机功率加/减"按键时,电机均无相应变化。拆开外壳,查出主板上可控硅TR1已击穿,使得电机一直处于通电状态,故功能按键不起作用。可控硅型号是BTA16-60OB,额定工作电流为16A,其击穿可能是电机损坏造成的。拆下电机,发现电机线圈已烧黑。

网友评论