接修一台美的NDK18-09A取暖器,故障是挡位开关损坏,该取暖器实测电路如图1所示,220V电压先经过温度调节开关(通过调整双金属片的灵敏度,控制与双金属片联动的开关,在达到设定温度时跳开)、倾斜开关(在取暖器倾斜或跌倒时断开)及温度开关(防止取暖器过热),然后经过4脚3挡切换开关加给指示灯和两组电热丝( 阻值分别为48Ω和64Ω)。

      在网上查找,未找到4脚3挡切换开关,只有3脚3挡切换开关和5脚3挡切换开关。该机4脚3挡切换开关的功能如下:0挡,全不通;1挡,L和“1”、“2"接通(灯亮,64Ω电热丝加热);2挡,L和“1"、“"3" 接通(灯亮,48Ω电热丝加热);3挡,L和“1”、“2"、“3”接通(灯亮,64Ω和48Ω电热丝都加热)。笔者买回5脚3挡切换开关,如图2所示,其功能如下:0挡,全不通;1挡,B和“3”接通;2挡,B 和"3"接通、A和“2"接通;3挡,B和“3”接通、A和“1”、“2"接通。

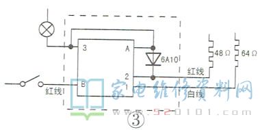
      在“3”端和A端之间加一根连接线,在A端和“2”端之间接一只大电流二极管 6A10,如图3所示,以实现3挡功率切换,具体连接关系如下:0挡,全不通;1挡,B和“3”、A接通,再经过二极管6A10和“2'接通(灯亮,48Ω电热丝被二极管半波整流后半功率加热);2挡,B和“3”、A、"2"接通(灯亮,482电热丝加热);3挡,B和“3”、A、“2”、“1”都接通(灯亮,64Ω和48Ω电热丝都加热)。