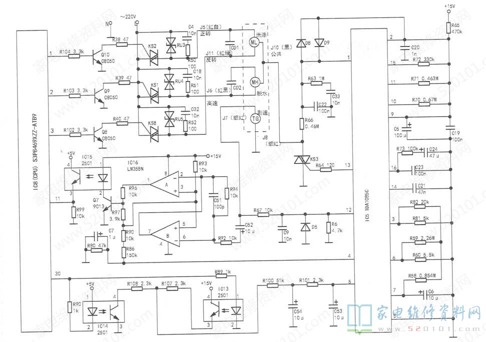
海尔XQG50-S606全自动滚筒洗衣机采用双速电动机拖动和同步电机测速技术,微处理器(CPUJ)IC8 的型号为S3P8469XZZ-ATB9 ,调速控制集成电路IC5的型号为TDA1085C。根据电路板实物测绘的电动机调速控制有关原理电路如图1所示。
插上电源插头,关闭滚筒门,门锁开关接通电源,IC8获5V工作电源后,CPU复位清零,时钟振荡器起振做好 工作准备。通过手 动操作键选择工作程序,洗衣机便进入工作状态。双速电动机由低速绕组ML和高速绕组MH构成,ML用手洗涤(或脱水前简内衣物摆平),由IC8①、③脚输出控制信号,经Q10、Q8驱动双向可控硅KS2、KS8轮流导通或截止,使低速电机ML正转或反转洗涤衣物;MH用于衣物脱水甩干,由IC8②脚输出控制信号,经Q9驱动双向可控硅KS1导通,使高速电机MH运转脱水。CD1.CD2分别为ML、MH绕组电容。ML、MH转动时带动电机TG同步转动,TG实际上是一个机械转速传感器,它对ML或MH转速进行取样,并按正比关系变换成电压信号,送至IC8、IC5进行处理。双速电机的转速受IC5 13脚输出的脉冲调制信号控制,通过改变双向可控硅KS3的导通角,调控ML、MH转速,使其与设定转速一致。J5~J8.J10、J11为双速电机(总成)的接线端子插件。TG获取的转速电压信号分成两路: 一路经C52、R92耦合至IC16( LM358N )进行两级放大处理后,控制光耦合器ICI5(2501)导通或截止,为IC8 11脚送入加速(电机速度较标准慢)或减速(电机速度较标准快)高、低电平信号,使IC8 30脚输出相应的调速电平;另一路则从IC5 12脚输入,芯片将设定转速的基准电压与信号电压进行比较,将正或负电压差值送到速度调节线性发生器(⑤、⑥、⑦脚内部)、控制放大器(16脚内部)和触发脉冲发生器后,由13脚输出控制KS3导通角的触发脉冲,使双速电机公共端子J10上的交流电压发生变化,保证双速电机在设定转速平稳运行。IC8 30脚与IC5⑤脚间的电路为调速电阻选择电路,⑤脚输入电压决定双速电机转速变化,⑤脚电压越高双速电机转动越快。
IC8根据TG采集的信号(即11脚输入电平)控制30脚输出电平:30脚输出低电平时,光耦合器IC14(2501 )导通,经R101、R100、R108将IC5⑤脚电压拉低,13脚输出信号控制双速电机速度减慢,并达到标准速度;IC8 30脚输出高电平时,光耦合器IC13(2501)导通,+15V电压经IC3③、④脚及R107、R100、R101加至IC5⑤脚使其电压升高,其13脚输出信号控制双速电机加速,并达到设定的标准速度。双速电机调速控制电路常见故障及检修如下:
1、在执行洗涤和脱水程序时,双速电机均不转
双速电机有ML、MH两个绕组,IC8①~③脚三个输出信号及KS1、KS2、KS8控制电路同时发生故障的可能性非常小,因此应重点检查ML、MH共用电路。通常有接插件J10针、座氧化、锈蚀接触不良或引线断脱,R64、IC5 13脚脱焊开路,KS3开路损坏等现象时会造成本故障。
2、不脱水或脱水不停止双速电机MH高速组控制电路工作失常:(1)若执行脱水程序时MH不转,可能原因有:IC8②脚虚焊,R103、R39开路,J6接触不良或连线断脱,驱动管Q9和双向可控硅KS1开路失效,电容CD2不良或失效。如以.上检查未发现问题,则可能是MH绕组断路,用500型万用表RX1挡测得的MH电阻值为:J6和J10间28.52,CD2接MH绕组端与J6J10间分别为42.5Q和14Q;(2)若脱水程序完毕而MH仍转动不停,-般是Q9、KS1击穿或漏电,否则为IC8内部数据缺损或程序紊乱。
3、不洗涤或洗涤时只按一个方向转动
双速电机ML低速绕组及控制电路有故障:(1 )洗涤时ML不转动,ML正、反转控制电路同时出现故障的可能性很小,如检查J5J11接触良好,CD1容量正常时,可能ML绕组断路,用500型万用表RX1挡测得的电阻值为:J10与J5.J11间均为552,J5和J11间为950 (不为1102 的原因是正、反转绕组有一个152左右的公共绕组);(2)只正转不反转,一般为J11接触不良或断线,R102、R40、Q8、KS8脱焊或开路损坏;(3)只反转不正转,-般是J5接触不良或引线断脱R104、R38、Q9、KS2开路损坏。
4.调速或稳速失效
原因较多,不同部位工作失常产生的故障现象也有差异:(1)TG不转动,无转速变换的信号电压J7、J8接触不良或引线断脱,TG绕组断路,TG两端线间正常阻值为120Ω (500型表R X 1挡);(2)IC8 11脚无调速反馈信号。C52、R92 开路失效,IC16损坏或不良,Q7和IC15开路失效,IC16损坏或不良,Q7和IC15开路失效或击穿漏电,R99开焊;(3 )IC5⑤脚无调速(加或减)信号输入。IC8 30脚内部电路损坏后,30脚无控制电平输出,R89、R90脱焊开路或光耦合器IC13、IC14击穿或开路损坏,R107、R108、R100、R101开焊或滤波电容C53、C54击穿漏电;(4 )IC5外围元件不良或内部线性调节发生电路等损坏。

网友评论