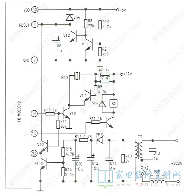
水仙XQB30-23型全自动洗衣机控制电路以单片微型计算机芯片MCS8049(CPU)为核心组成,该机设有欠压保护和过流保护电路(普通全自动洗衣机一般不设保护电路), 使得其工作更加可靠。保护电路原理如图1所示。

1、欠压保护电路
     为了防止因工作电压过低或电源间断性供电引起CPU系统工作紊乱,该机设置了由VT1、VT2等组成的欠压保护电路。CPU④脚(RESET)为复位信号输入端,由于电容C8两端电压不能突变,故在刚接通电源时,④脚为低电平;CPU内部寄存器RAM复位清零,程序为初始状态。当C8被充电至高电平,CPU开始对操作键选择的程序进行正常工作。
     电源电路(由7805稳压块输出的5V VCC电压)正常时,VT1因R14、R2分压使其基极获得0.7V偏压而饱和导通,VT2基极仅有0.1V(VT1饱和压降)而反偏截止,CPU④脚为高电平,不影响正常洗衣程序运行。由于某种原因使vCC电压低于4V时,VT1基极电压不足0.7V而截止,VT2则饱和导通,CPU④脚立即变为低电平,于是CPU复位中断程序运行。VD5是钳位二极管,可防止④脚电压超过5.7V时损坏CPU。
2、过流保护电路
     为了防止因某种原因造成排水电磁阀PSF吸合不到位,引起电流过载将其烧毁,该机还设置了由电流互感器T2、VD10、VT9、VT10等组成的过流保护电路。T2 初、次级匝数比为1:300,正常工作时,PSF回路电流小于1.3A,R18 上压降小于3.9V,经VD10整流及C12、R17、C10滤波和R15、R16分压,VT10因基极电压小于0.49V而截止CPU 24脚、VT9发射极为高电平,不影响洗衣机执行洗衣程序。
     在排水状态时,若PSF因异物卡滞吸合不到位,则回路电流超过1.7A,此时T2次级感生电流在R18上产生压降大于5V,VT10由截止变为导通,CPU 24脚及VT9发射极变为低电平(小于0.1V),与此同时,CPU 16脚输出高电平信号,即使VT9导通,将CPU 4脚拉低为复位电平,停止执行洗衣程序,继电器K2释放,其常开触点切断PSF供电,不至于因长时间电流过载而损坏排水电磁阀;此时VT8正偏导通,压电蜂鸣器HTD会发出报警提示音。
3、故障检修
例1:接通电源,无任何显示,各操作按键均失效,整机不工作。
分析检修:CPU控制电路工作条件有四:一是5V(允许误差5±0.5V)电源正常:二是④脚输入的复位脉冲信号正确;三是②、③脚外接时钟振荡器工作正常;四是CPU芯片本身完好。检修时,先测CPU 40脚(vcC)电压为5V正常,再测④脚电压为0.3V,说明CPU处于复位状态(此时②、③脚时钟电路停振)。测24脚电压为4.9V 高电平,表示过流保护电路未动作,欠压保护电路工作失常。根据欠压保护电路工作原理,当R14、VT1开路损坏或VT2、C8击穿漏电时,均会引起④脚电压变低而使CPU复位。经检查,C8( 1uF/16V)漏电,更换后试机,故障排除。
例2:在洗衣过程排水时,洗衣机突然停止工作,且蜂鸣器报警。
分析检修:根据故障现象分析,可能是排水过流保护电路动作。测40脚(VCC)电压为正常的5V,④、24脚均为0.1V低电平,由此判定过流保护电路动作。导致24脚为低电平的原因有两个:一是电滋排水阀活动部件因异物、缺油干涩造成卡滞,吸合时不到位而产生过载电流;二是欠压保护电路自身工作异常,如R16开路,R15、R17因受潮漏电使其阻值变小及VT10击穿、漏电等均可造成24脚变为低电平。经检查,故障为VT10性能变差,漏电严重所致,用一只C9014晶体管更换后试机,故障排除。