上门维修一台樱花sSCR-3671G型抽油烟机,上电后屏数码管不停地闪烁,并伴有蜂鸣器鸣叫声。取下显示板,通电测量,5V电压在3.2V~3.6V之间波动,拔下主板供电插头单独测量,5V电压正常。外接手机充电器供电,数码管显示正常,操作也正常,可见故障在电源板上。
该机电源采用PR6225,如图1所示。代换电容C13(10uF/50V)后试机,故障排除。
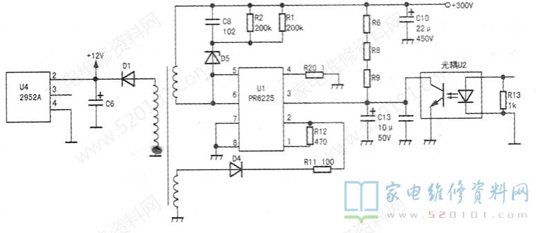
上门维修一台樱花sSCR-3671G型抽油烟机,上电后屏数码管不停地闪烁,并伴有蜂鸣器鸣叫声。取下显示板,通电测量,5V电压在3.2V~3.6V之间波动,拔下主板供电插头单独测量,5V电压正常。外接手机充电器供电,数码管显示正常,操作也正常,可见故障在电源板上。
该机电源采用PR6225,如图1所示。代换电容C13(10uF/50V)后试机,故障排除。
网友评论