金灶A-99全自动煮茶器是近期比较畅销的一款煮茶器 ,具有感应触控和数字精准控温功能,加上其特有的喷淋式蒸汽煮茶模式,深受消费者喜欢。一位朋友称他的煮茶器加热时无法达到100C,大概到90C时就停止加热了,并且当保温设定在100°C时,原本在80°C就启动加热,现在茶水温度要降低到68°C左右才启动,同样加热到90°C时就停止了。根据故障现象分析,判断该煮茶器温度检测电路有问题。

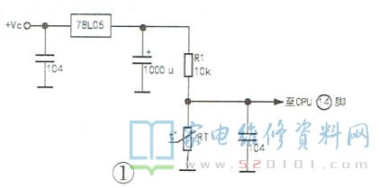
      本机的温感探头采用负温度系数特性的热敏电阻RT,通过密封圈插到电水壶底部。在20°C时,RT阻值约为150k,在85°C时,约为20k。该机温度检测电路由78L05供电,如图1所示。

       检查图1中的阻、容元件均正常,怀疑RT变质,造成温度控制不准确。在RT上串联一只5.1k的电位器,希望通过合适的电阻补偿使温度控制趋于准确,但反复试验故障依旧。在煮茶器加热的同时,另用温度计测量温度,发现该机显示的温度跟温度计的读数差不多,这说明RT是正常的。重新检查煮茶器,发现在加热底盘下有一只120°C的温控开关(热保护器,常闭型),如图2所示。

       该温控开关的作用应是过热保护,干烧时,它内部双金属片动作,及时断开加热回路,防止干烧损坏加热管。当锅底温度降到正常值时,重新接通电路。询问朋友得知:该机是在一次干烧后才出现故障的,当时还有一些青烟冒出。怀疑该温控开关在干烧后性能变差,短路该开关后试机,一切正常。更换该温控开关后故障排除。

       提示:若无原型号温控器,可换用KSD9700型温控开关,建议选择性能好些的250V/10A陶瓷型的温控器,以提高机器的可靠性。