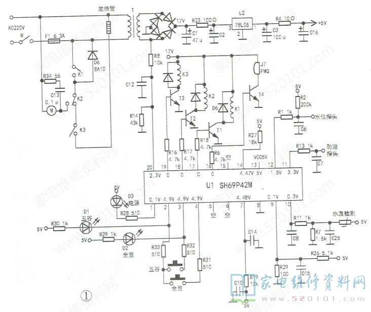
笔者接修一台九阳豆浆机(在机器上没有找到具体型号),其实绘电路如图1所示,继电器K1用于控制功率转换,K2用于切换发热管和电机,K3用于控制发热管供电。U1为单片机SH69P42M,其引脚功能见表1。

       当机器与壳体对好位置后,到位开关W闭合。通电后,220V交流市电加到变压器T的初级,其次级产生约15V交流电,经桥式整流及C1.C2滤波后,得到约17V直流电压,加到三端稳压块U2(78L05)③脚,其①脚输出5V直流电压,经电阻R4限流后供给U1 13脚及其他电路。电阻R8、R14对半波整流电压分压,经C12滤波后,得到约2.35V的直流电压送往U1 20脚,作为过零检测电压。

       如果豆浆机里没有水或水位很低时,因水位探头接触不到水,则U1 12脚为4V高电平,蜂鸣器会一直鸣叫,所有按键失灵,以防止干烧;如果豆浆机里水位正常,则水位探头和地接通,U1 12脚电压被拉低到1.52V,整机进入待机状态,只有电源指示灯亮。待机状态时,按一下“全豆”键,蜂鸣器响两声,“全豆豆浆"指示灯亮,17、19脚均输出5V高电平,三极管T1、T2导通,K1、K3吸合,,则220V市电通过K1、K3给发热管供电,对水加热。当水温达到设定值时,19脚输出低电平,T3截止,发热器停止加热;17、18两脚均输出5V高电平,T1、T2导通,K1、K2吸合,电机转动,进行预打浆。

        过一会儿后,进行几次打浆加热,直到豆浆熟透。如果加热中豆浆溢出,接触到防溢电极,则11脚电压被拉低,停止加热,待溢出现象消失后再加热。功率转换电路由U1 17脚及T1、K1、D6(8A10)等元件组成。当U1 17脚为高电平5V时,T1导通,K1吸合,D6被短路,电路工作在全功率状态;当U1 17脚为低电平时,T1截止,K1断开,D6起作用,电路工作在半功率状态。

故障现象1:加水和豆子后通电,电源指示灯亮,蜂鸣器响一声,约5s后蜂鸣器长鸣,按键失灵。

分析检修:测5V电压正常,但U1 10脚的电压为0V。测得此时水温为26C,正常时10脚电压应为0.25V。检查水位探头,如图2所示,发现水位探头里的热敏电阻损坏。换新后试机,故障排除。

故障现象2:加水和豆子后通电,蜂鸣器一直响,无法使用。
分析检修:测U1 12脚电压为4V,正常时应约为1.4V。 检查水位检测电路,发现水位探头到电路板的连线虚焊。补焊后试机,故障排除。