一台三洋XQB60-S808型洗衣机,上电后按“电源”键,面板.上的字符闪一下即灭,不能进入开机状态。根据故障现象分析,判断电脑板有问题。拆机检查,发现该机低压供电采用电源变压器降压方式,同时发现两只电解电容C3、C4已鼓包,中间的功率三极管周围的封胶已融化。

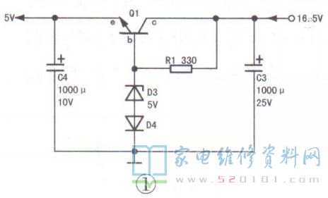
      根据线路走向,实绘出Q1及其外围元件电路,如图1所示。Q1、D3.R1等元件组成串联稳压电路,将16.5V电压稳压成5V,供给CPU等电路。先在电脑板背面割开-一个方孔,再用小刀割去封胶拆下Q1.D3.D4.R1检测,未发现异常。考虑到Q1发热严重,决定用三端稳压器7805代替原串联稳压电路。同时,为防止C3.C4再次损坏,选用耐压更高的电解电容,如图2所示。改动后.上电试机,故障排除。