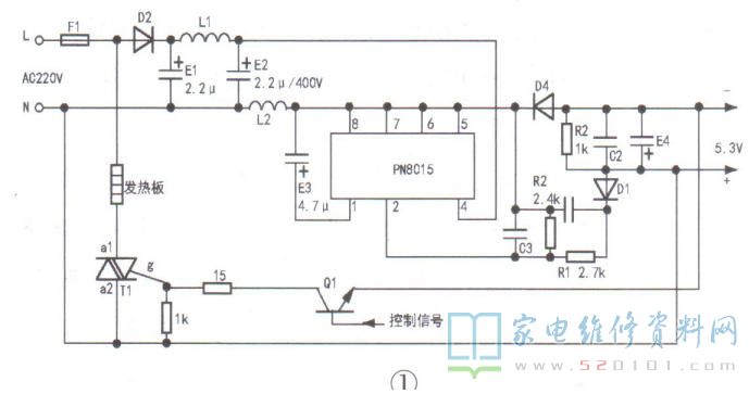
一台小熊DDZ-108TA型电炖锅,电源板烧坏。该机电源芯片是一只7脚贴片元件,已看不清型号,实绘相关电路如图1所示。查资料得知,该芯片型号是PN8015,其①脚是VDD端,外接一只滤波电容E3,上电后,④脚得到300V高压,300V电压通过芯片内部的启动电路给E3充电,充电电流为2.5mA,当①脚电压达到13.5V时,芯片开始工作。当①脚电压低于11V时,芯片停止工作;当①脚电压低于8V时,芯片重新启动。①脚内部还接有一只20V的钳位稳压管,以防止外部电压过高烧坏芯片。②脚是输出电压稳压反馈脚,D1对输出的正电压进行取样,C1对取样电压滤波,R1.R2对取样电压进行分压。开关电源的输出电压值由R1、R2的阻值比例决定,即vOUT=(R1+R2 )+R2x2.5。从本电路R1.R2的阻值比例看,输出电压约为5.3V。如果②脚电压低于1.7V,且持续时间达到0.15s,则芯片启动过载保护;如果②脚电压小于0.1V,则芯片判断取样电路异常或负载短路,芯片停止工作。④脚内接开关管(耐压不低于700V)的D极,外接经E1.L1.E2滤波后的300V直流电压。

        ⑤~⑧脚是内部开关管的S极。在工作中,当开关管截止时,会在L2上产生一个反电动势,该电动势经D4整流、E4滤波后供给电脑板。开关管的S极内接-只电流取样电阻,当通过开关管的电流过大时,芯片进入过流保护状态。由于该电源只有- -组电压输出,且冷热地没有隔离,加之笔者手头无PN8015,于是决定用电容降压电路代替(在半波整流电路中,1uF电容约对应30mA电流输出)。由于整流二极管D4存在电压降,所以稳压管ZD的稳压值选为6V(比输出电压高0.7V),降压电容的容量直接影响输出电流,考虑到该电源功耗,决定采用1uF的降压电容,如图2所示,功率不小于0.25W。双向可控管T1的g极受Q1控制,当电脑板发出高电平加热控制信号时,Q1导通,T1的g极通过导通的Q1接5.3V电压的负端。由于T1的a2极接5.3V电压的正端,即T1处于负向触发状态,a1、a2之间导通,发热板得电工作。

       提示:用电容降压电路代替开关电源时,5.3V直流输出电压的正极须接AC220V的N端,降压电容、二极管等元件须串联在L线中。否则,T1无法工作。另外,查资料得知PN8012、PN8024等芯片的引脚功能和PN8015完全不一-样,不能直接代换。