一台德尔玛DEM-SJS100型空气加湿器,其电源板中间区域被烧黑。该机6脚电源芯片丝印号为399J47,实绘其电路如图1所示。上电后AC220V交流电经RL1、L1.L2限流并滤除变频干扰,再由DB1桥式整流EC1滤波,得到300V直流电压。300V电压经R2.R1降压后给芯片⑥脚外接电容EC3充电,当⑥脚电压达到阈值后,芯片④脚发出驱动脉冲,开关管Q2开始工作,开关变压器辅助绕组的感应电压经D3整流、EC3滤波后,供给芯片⑥脚,以取代启动供电。开关变压器的次级感应电压分别经D4.D7整流及EC4.EC5滤波后,形成12V和34V电压,前者供给控制芯片和小风机,后者供给水雾发生器。

      Q2 S极所接电流取样电阻R6~R8两端的电压反映开关电源的负载情况,该电压送给芯片⑤脚,芯片可以根据负载大小工作在不同状态,当过流时芯片停止工作。芯片②脚外接电阻R11的阻值决定工作频率。R9.R10.R12组成分压取样电路,对开关变压器辅助绕组的输出电压进行取样,其取样电压送给芯片①脚,芯片根据该脚电压进行稳压控制。本电路属于间接稳压方式,电路结构简单,但稳压精度稍差。经查芯片及Q2.R6~R8.D1.R13.R24都已烧坏。

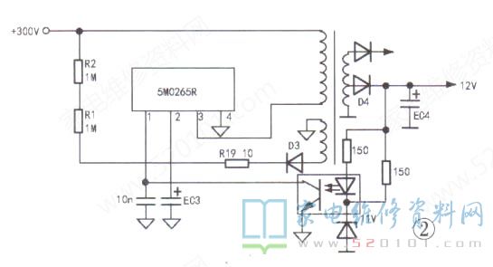
      因笔者手头没有该型6脚芯片,尝试用电源模块5M0265R代换,为提高稳压精度,在电源次级12V输出电压端外接11V稳压二极管进行取样,其取样信号经光耦反馈到5M0265R的④脚,如图2所示。该加湿器整体功耗约25W,由于需要连续长时间工作,因比在5M0265R.上加装-一个小型散热片。改装后试机,一切正常。须注意的是,原机线路板上也有一只光耦,但这只光耦并不是起稳压反馈作用,从线路结构来看,应该是用于过零检测,使次级负载受220V交流电的过零信号触发控制。实修中曾断开该过零信号,整机不工作。