接修一台苏泊尔C20S05电磁炉,上电时机内蜂鸣器发出一声“嘀”音,按键板上的数码管与指示灯亮一下后熄灭,这时按压按键板上任何按键均无反应,既不开机、不加热,也无任何指示或显示。分析检修:该型机为老款机型,按键板(又称灯控板或灯板)采用普通轻触按键。根据经验,本机故障现象表明主板自检正常,其故障原因通常是“开/关”键因使用时间较长而失效。拆机检查,发现按键板上的9只轻触按键已被前一位维修人员更换过,在路检测这9只轻触按键均正常。上电后,用镒子短接“开/关”键两端仍不能开机,看来故障并非按键异常所致。该机按键板通过一个5针插座CN1及排线与主板相连,CN1引脚功能标注如图1所示。
上电测得CN1中的+5V供电正常,但STB、CLK、DA端电压在按压按键时均无明显变化,怀疑按键板控制电路有问题。查看按键板线路,无短路、断路、受潮、腐蚀现象;在路检测按键板上的红色发光二极管(用作功能指示)均正常,逐一外加1.5V直流电压均能正常发光;拆下数码管试机,故障依旧。上述检查基本排除了按键PCB板、指示灯和数码管异常的可能性,接下来检查按键板驱动芯片IC1(TM1668)及其外围元件。IC1是一块带键盘扫描接口的LED驱动控制专用IC,内部集成有MCU数字接口、数据锁存器、LED驱动、键盘扫描、RC振荡(450kHz±5%)、上电复位等电路,采用贴片SOP24封装形式。从线路走向看,IC1的⑥脚为+5V供电端,㉒脚为接地端,①~③脚分别与CN1的DA、CLK、STB端相连。在路测量IC1①-③脚外接贴片电容和电阻,未发现异常;上电测量⑥脚与㉒脚间电压为+5V,正常,难道IC1坏了?提示:若电磁炉按键板上的发光二极管(含数码管内的发光二极管)开路、短路或漏电,均可能导致按键失灵、不开机或控制异常等故障。因笔者手头无TM1668,但有一块美的电磁炉按键板驱动芯片MC2102D,这两者的引脚功能基本相同,决定代换一试。
换上MC2102D后试机,故障依旧。此故障是另有原因,还是TM1668与MC2102D不能直接代换呢?在试机中,面板上未放锅,对于正常机而言,此时按键板上的数码管会显示故障代码°假如按键板驱动芯片损坏导致数码管不得显示故障代码,那么几分钟后主板上的单片机也会发出关机指令,蜂鸣器会随之发出一声“嘀”音,但本机并无这一声“嘀”音。因蜂鸣器只由主板上的单片机控制,所以怀疑主板上的单片机工作状态异常。为了验证上述怀疑是否正确,拔下线盘中间的炉面温度检测插头长时间试机,蜂鸣器仍只是在上电时发出一声“嘀”音,看来主板上的单片机电路确有问题。
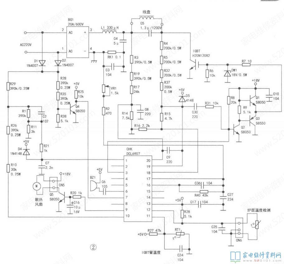
该机主板上的单片机UI(CHKDCL6907)是一款专门针对电磁炉电路特点而设计的专用MCU,内部集成有SH6610D(CPU内核)、RAM、ROM和定时器,以及电磁炉的控制函数电路,包括检锅、功率恒定、电流限制、功率限制和电压、电流、温度等数据采集电路,广泛用于苏泊尔、奔腾、康乐等品牌电磁炉中,其外围电路非常简洁,实绘该机相关电路如图2所示。提示:在实际应用中,须向单片机内部存储器写入控制程序(这一过程常称作编程或烧录),否则单片机无法工作。
对于同一型号单片机而言,在同一品牌电磁炉中所写程序通常相同,而在不同品牌电磁炉中所写程序一般不同(在电路上会表现为部分自定义引脚功能不同,外围电路有所差异)。因此,若要更换电磁炉的单片机,在通常情况下,只能换用本品牌电磁炉所用的同型号单片机。上电测量5⑬脚供电正常,断电后测量U1⑲、⑳脚外接的同步电压检测电阻,以及①脚外接的浪涌电压检测电阻,均正常。转向检测炉面温度与IGBT管温度检测电路,未发现异常,怀疑U1损坏,购回用于苏泊尔电磁炉的单片机CHKDCL6907,装上试机(未放锅),电源指示灯亮,按“开/关”键后,机内发出检锅声,两三秒后按键板上数码管显示代码“E1”;放上锅试机,加热与各项控制功能均正常,至此故障排除。事后不久,笔者又接修一台同型电磁炉,故障现象是开机后数码管显示代码“E0”,不加热,并且蜂鸣器也无叫声。
在苏泊尔电磁炉中,代码“E0”表示内部电路异常。经查,故障原因是IGBT管控制极外接的18V稳压二极管PW1击穿,换新后故障排除。
提示:TM1668.SM1668与MC2102D均为电磁炉显示驱动芯片实验后发现,这三者可以相互直接代换。为便于实修时参考,特附上U1在正常状态下的开路电阻、在路电阻与待机电压实测值(见表1),以及苏泊尔电磁炉的故障代码及含义(见表2)。

网友评论