概述:TMP47C837N是日本东芝半导体出品的一款4bit单片CMOS彩色电视机CPU微处理器IC芯片,其早期广泛应用于CRT彩电电视机中,具有屏幕显示电路(OSD)以在电视屏幕上显示表示频道或时间的字符和标记,A/D转换器(转换器)输入,D/A转换器输出等功能。TMP47C837N采用42引脚双列DIP封装工艺。
一、TMP47C837N引脚功能与实测电压
|
管脚 |
功能 |
电压 |
|
1 |
调谐电压输出 |
2.3 |
|
2 |
蓝背景控制 |
0 |
|
3 |
重低音控制输出 |
2.4 |
|
4 |
音量控制输出 |
1.4 |
|
5 |
对比度控制 |
3.8 |
|
6 |
亮度控制输出 |
3.8 |
|
7 |
饱和度控制 |
2.5 |
|
8 |
色调控制 |
2.5 |
|
9 |
多制式强制型输出指令 |
0 |
|
10 |
多制式强制型输出指令 |
0 |
|
11 |
多制式强制型输出指令 |
0 |
|
12 |
多制式强制型输出指令 |
0 |
|
13 |
AFT输入 |
3.3 |
|
14 |
键盘输入 |
4.7 |
|
15 |
键盘输入 |
4.7 |
|
16 |
键盘输入 |
4.7 |
|
17 |
键盘输出 |
0.1 |
|
18 |
键盘输出 |
0.1 |
|
19 |
键盘输出 |
0 |
|
20 |
视频静噪输出 |
0 |
|
21 |
地 |
0 |
|
22 |
电源开启驱动 |
4.6 |
|
23 |
G字符输出 |
0 |
|
24 |
R字符输出 |
0 |
|
25 |
屏显消隐 |
0 |
|
26 |
行同步信号输入 |
4.1 |
|
27 |
场同步信号输入 |
4.8 |
|
28 |
字符振荡 |
5 |
|
29 |
字符振荡 |
5 |
|
30 |
检测端口地 |
0 |
|
31 |
晶振输入 |
1.6 |
|
32 |
晶振输出 |
2.2 |
|
33 |
复位输入 |
5 |
|
34 |
P/N制式识别输入 |
0 |
|
35 |
遥控信号输入 |
5 |
|
36 |
电台识别信号输入 |
4.5 |
|
37 |
SCL |
5 |
|
38 |
SDA |
5 |
|
39 |
波段UHF |
1.9 |
|
40 |
波段VH |
1.9 |
|
41 |
波段VL |
0 |
|
42 |
5V电源 |
5 |
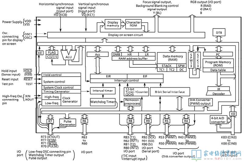
二、TMP47C837N内部方框图
网友评论