概述:M37210M4-786SP是日本三菱半导体出品的一款采用IIC总线控制的8 bit单片CMOS彩电CPU微处理器芯片,用于彩电的电压合成调谐系统,以接收TV/CATV信号。M37210M4-786SP具备PWM功能、OSD显示功能等。除了简单的指令集,ROM、RAM和I/O地址放在同一个内存映射上,以便于编程。M37210M4-786SP采用52引脚双列DIP封装工艺。
一、M37210M4-786SP引脚功能与实测电压
|
管脚 |
功能 |
电压 |
|
1 |
行同步信号输入 |
3.9 |
|
2 |
场同步信号输入 |
4.4 |
|
3 |
NC |
0 |
|
4 |
NC |
0 |
|
5 |
NC |
0 |
|
6 |
NC |
0 |
|
7 |
总线关闭输入控制 |
4.5 |
|
8 |
麦克风音量控制 |
0 |
|
9 |
混响控制亮度 |
0.01 |
|
10 |
亮度信号瞬态改善控制 |
1.8 |
|
11 |
AFT输入 |
2.5 |
|
12 |
波段控制 |
2.7 |
|
13 |
波段控制 |
0.01 |
|
14 |
调谐电压输出 |
4.8 |
|
15 |
模式控制输入 |
2.3 |
|
16 |
遥控信号输入 |
3.6 |
|
17 |
NC |
0 |
|
18 |
同步信号输入 |
4.4 |
|
19 |
伴音中频控制输出 |
0 |
|
20 |
伴音中频控制输出 |
0 |
|
21 |
伴音中频控制输出 |
5 |
|
22 |
伴音中频控制输出 |
0 |
|
23 |
地 |
0 |
|
24 |
4M时钟 |
0.1 |
|
25 |
4M时钟 |
2.4 |
|
26 |
地 |
0 |
|
27 |
5V电源 |
5.1 |
|
28 |
字符振荡 |
4.3 |
|
29 |
字符振荡 |
4.3 |
|
30 |
复位 |
4.7 |
|
31 |
待机控制 |
0.01 |
|
32 |
TV/AV控制 |
5.1 |
|
33 |
NC |
5.1 |
|
34 |
键扫命令输入 |
4.7 |
|
35 |
键扫命令输入 |
4.7 |
|
36 |
制式控制输出 |
5 |
|
37 |
50/60Hz控制输出 |
0 |
|
38 |
制式控制输出 |
0 |
|
39 |
静噪控制 |
0 |
|
40 |
外部静噪控制 |
0 |
|
41 |
SDA |
4.6 |
|
42 |
SCL |
4.7 |
|
43 |
NC |
0 |
|
44 |
NC |
0 |
|
45 |
卡拉OK功能控制 |
0 |
|
46 |
蓝屏控制 |
0 |
|
47 |
NC |
5 |
|
48 |
定时器控制 |
5 |
|
49 |
字符发生器控制 |
5 |
|
50 |
字符发生器控制数据 |
0 |
|
51 |
字符发生器控制片选 |
4.8 |
|
52 |
字符发生器控制时钟 |
4.8 |
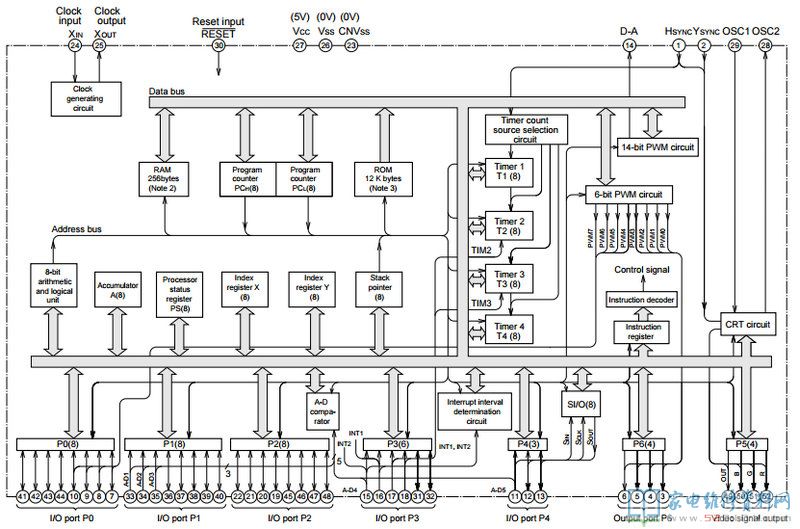
二、M37210M4-786SP内部方框图
网友评论