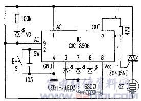
概述:CIC8506是专用调功集成电路,可用于电饭锅、电风扇、电烤箱等调温及调速电路中使用。具有外接元件少,制作容易,无需调整等特点。
CIC8506的基本工作原理是通过①和⑨脚对。50Hz交流市电采样,由芯片内电路进行整流和分频,对脉冲占空比进行分割后,再由⑤脚输出控制信号,控制双向可控硅VS(20405NE)的导通角,实现对输出交流电压的调整。(2)脚接挡位选择开关S,用来改变⑤脚的输出控制信号。
连续按动S时,输出挡位按1→2→3→4→OFF→1……的顺序切换,以改变输出控制脉冲的被切割量,达到对可控硅导通角的控制,以实现负载功率的准确调整。
LED1~LED3为挡位指示发光管,VD为电l源指示灯。双向可控硅视负载功率的大小按600V/(3~6A)的参数选取。
一、CIC8506引脚功能
| 号 | 引脚符号 | 功能 |
| l、9 | AC | 交流220V输入端 |
| 2 | 5W | 轻触键控制输人端 |
| 3 | LEDI | 输出指示发光二极管I |
| 4 | GND | 地 |
| 5 | OUT | 控制信号输出端 |
| 6 | LED2 | 输出指示发光二极管Ⅱ |
| 7 | LED | 输出指示发光二极管Ⅲ |
| 8 | VCC | 正电源 |

网友评论