概述:TEA1620是一种开关模式电源(SMPS)控制器IC芯片,支持工作电压范围80V至276V,它采用高压EZ-HVTMSOI工艺,结合低压BICMOS工艺。它包括一个高压电源开关和一个直接从整流电源电压启动的电路。内置了一个用于谷值切换的专用电路,这使得非常高效的超薄电子电源插头概念成为可能。在其最基本的应用版本中,TEA1620P充当电压源。在这里,不需要额外的二次电子元件。可以实现一个组合的电压和电流源,外部组件的成本最低。TEA1620P的实现提供了一个高效和低成本的电源系统。
一、TEA1620引脚功能
二、TEA1620内部方框图
三、TEA1620典型应用电路
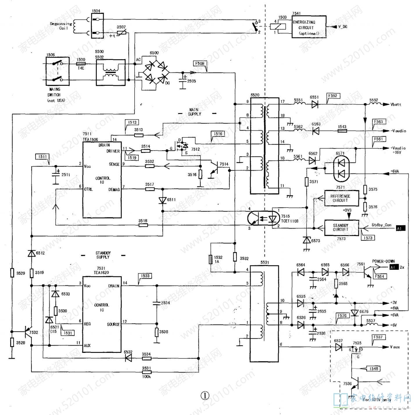
下图是寸飞利浦29PB225/93型彩电开关电源电路图,接通电源开关后,市电经整流滤波后在主滤波电容2505上形成300V直流,该电压一路经副开关变压器5531④-⑤绕组至副开关电源PWM( TEA1620 14脚,内带场效应开关管D极),等待主电源工作提供启动电压;另一路经开关变压器的⑨-⑧、④-⑤绕组至场效应开关管7512的D极,同时⑨-⑧绕组经电阻3513至主PWM块(TEA1506)14脚对②脚(VCC )外接电容2511充电,当2511上电压上升至满足起振要求时, TEA1506开始振荡,①脚输出驱动脉冲至开关管7512的G极,功率管,工作,副绕组③-②绕组感应电压经二极管6511整流后提供②脚工作电压,主电源进入稳定工作状态。开关管S极过流取样电阻3516上电压经电阻3532反馈至PWM块⑨脚随时监测开关管7512电流。当开关管发生过流时,⑨脚电压上升,内部触发器翻转,11脚停止输出驱动脉冲保护开关管免于过流损坏;③-②绕组同时经电阻3517、3519分压后控制保护管7514,当③-②绕组感应电压过高(对应开关管导通时间变长)时7514导通,将11脚输出的驱动脉冲短路至地,开关管截止,避免开关管导通时间变长过流损坏。

网友评论