用手机访问
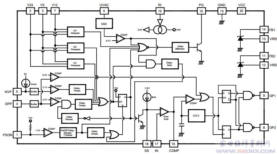
概述:SG6105采用双列20脚封装。集成过压、过载、欠压、短路保护功能并负责PG信号的发生。它可以和HS8108互换。
一、SG6105引脚功能
二、SG6105内部方框图
三、SG6105典型应用电路
网友评论