概述:MCP73871采用20引脚QFN(4mmx4mm),
一、MCP73871功能和特点:
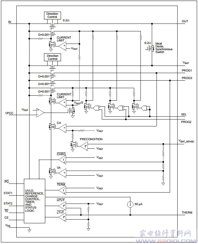
●集成系统负载均衡和电池充电管理功能- 为系统供电和给锂离子电池充电同时进行- 电压与电流比例控制(Voltage ProportionalCurrent Control, VPCC)确保系统负载的优先级高于锂离子电池充电电流- 通过理想二极管的通断实现低损耗的电源通路管理
●完整的线性充电管理控制器- 集成了传输晶体管- 集成了电流检测- 集成了反向放电保护- 可选的输入电源:USB 端口或AC-DC 墙式适配器
●预设的高精度充电电压:- 4.10V、4.20V、4.35V 或4.40V- ±0.5% 稳压容差
●可进行热调节的恒流/ 恒压(Constant Current /Constant Voltage , CC/CV)操作
●总输入电流的最大值控制在1.8A
●可编程快速充电电流(采用电阻控制)范围:50 mA 至1A
●电阻可编程充电终止设定点
●可选的USB 输入电流控制- 绝对最大值:100 mA (低) / 500 mA (高)
●自动再充电
●自动充电结束控制
●带使能/ 禁止控制的安全定时器
●给深度耗尽的电池进行0.1C 预充电
●电池温度监视器
●欠压锁定(Undervoltage LOCkout, UVLO)
●电池电量低指示(LBO)
●电源电压正常指示 (PG)
●充电状态和故障条件指示
●可供多种应用选择的众多选项:- 关于可选信息,请参见第1.0 节“电气特性 - 关于标准选项,请参见“产品标识体系”
●温度范围:-40°C 至85°C



网友评论