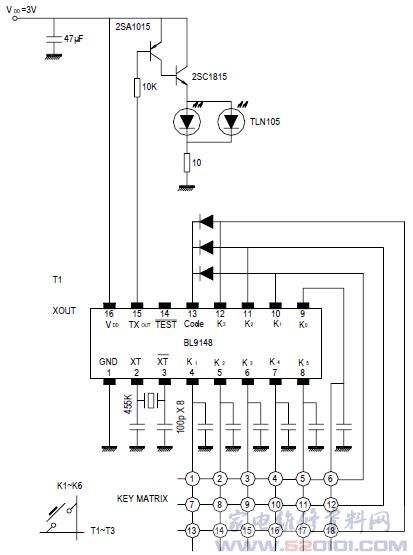
概述:BL9148是上海贝岭公司生产的一款通用红外线遥控器集成电路,它采用双列直插16脚封装,电源电压范围较宽:2.2V-5.5V。
二、BL9148功能和特点
* CMOS 工艺保证了极低的功耗
* 可多键组合
* 外围元件少
* 码位与其它模式兼容
* 只需外接 LC 或陶瓷振荡器即可产生振荡
概述:BL9148是上海贝岭公司生产的一款通用红外线遥控器集成电路,它采用双列直插16脚封装,电源电压范围较宽:2.2V-5.5V。
二、BL9148功能和特点
* CMOS 工艺保证了极低的功耗
* 可多键组合
* 外围元件少
* 码位与其它模式兼容
* 只需外接 LC 或陶瓷振荡器即可产生振荡
网友评论