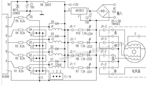
本遥控器采用新力电子仪表有限公司生产的微型化无线遥控四位专用组件,它包括一个四位扣式发射机,其电源采用A23型12V电池,体积小巧。接收机电路为KL668型,供电电源为9V直流,控制继电器的电压可由继电器决定,本图用的继电器为12V。该接收电路抗干扰能力强,控制距离可达20~40米。
元件选择 在该电路中加入LED1~4作功能显示,以确定控制状态,继电器采用有两组接点12V/0.2A的,如果负载较大时,应选择接点电流较大,电压24V以上的继电器。Q1~Q5可选择3DG120,D1~D4为IN4001,D5~D8为IN4003,其他元件按图标就可以了。印刷电路板图如图2。
该电路制作容易,只要改变继电器接点的控制对象,就可以做成不同用途的遥控器,只要元件选择正确、焊接无误很容易成功。如果所控制的对象只作触发式的启动用途,则只要将图中“E”点断开,即成为四路非锁定的轻触控制开关。如果所控制的对象既有锁定开关又有非锁定开关,则只要将需要设定的非锁定的一路或二路所对应的短接插件(T1-T4等),分别设定为锁定时“E”短接、1-2短接、断开1-3;非锁定时“E”断开、1-2断开、短接1-3即可。

网友评论