概述(Description):
TEA1062是一块双极型线性集成电路。它实现全电子电话机所需的全部通话和线路接口功能,在发号和通话之间实现电子转换。该电路能工作在低至1.6V直流线路电压(性能将有所降低),以便更多的话机并联使用。TEA1062的封装形式为16线塑封双列直插式。
特性(Features):
低直流线路电压,工作低至1.6V(不包括极性保护)。
可用固定电阻调节的稳压器。
对外部电路提供限流的供电电源。
平衡高阻抗输入(64kΩ)用于动圈式,电磁式或陶瓷送话器。
不平衡高阻抗输入端(32KΩ)用于驻极体送话器。
具有可信音的DTMF信号输入。
用于脉冲或DTMF发号的静噪输入。
可适应各种类型受话器的接收放大器。
送受话放大器的放大倍数调节范围大。
线路损耗补偿由线路电流决定(送话和受话放大器)。
增益控制适应交换机电源。
可调节直流线路电压。
脚位排列图:

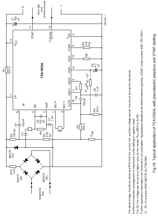
典型应用图:

网友评论