您好,欢迎您访问家电维修资料网
登陆
免费注册
实用工具
手机版
用手机访问
首页
维修资料
彩电维修资料
彩电总线调整
维修基础
电子线路
电子制作
空调制冷
家用电器维修
音响功放
卫星有线
VCD、DVD
通讯设备
办公设备
数码摄录
计算机设备维修
软件下载
培训教材
电路图纸
长虹彩电图纸
康佳彩电图纸
TCL彩电图纸
海尔彩电图纸
创维彩电图纸
海信彩电图纸
其他彩电图纸
合资彩电图纸
LG彩电图纸
松下彩电图纸
三星彩电图纸
索尼彩电图纸
东芝彩电图纸
夏普彩电图纸
飞利浦彩电图纸
DVD功放图纸
家用电器图纸
数码相机图纸
显示器图纸
维修工具图纸
数据下载
长虹彩电数据
康佳彩电数据
TCL彩电数据
海尔彩电数据
创维彩电数据
海信彩电数据
其他彩电数据
合资彩电数据
厦华彩电数据
DVD机顶盒数据
说明书
彩电说明书
显示器说明书
家用电器说明书
遥控器说明书
影音系统说明书
视频
彩电维修
空调制冷
电脑软件
办公设备
显示器维修
电子线路
维修基础
电工技术
通讯维修
DVD维修
生活电器
仪器仪表
其他技能
电子制作
搜 索
首页
音响功放
正文
如何正确使用LM1876
2018-01-31
作者:佚名
13225
评论
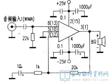
本文笔者按有关LM1876的电路图,组装了功放。检查电路无误,用直流+28V给功放板供电,测功放板上正、负电压正常,可是测中点电压(用500型万用表10V挡)却大于10V。经过分析原电路图只有反馈电阻,而输入端⑧和13脚缺对地电阻。在输入端加上22k对地电阻后,开机用500型万用表的直流2.5V电压挡测中点电压,指针几乎不动。焊机成功。
实际上LM1876的输入端是差分电路,只有给基极(输入端)对地加上这一电阻,基极上(输入端)才能得到一个小的电压,LM1876才能正常工作。正确的电路如下图所示。
其他推荐
视易星云KTV点歌机顶盒开关电源故障检修
ET-5350扩音机原理与维修
STK439功放右声道无声检修
1W功率音频率放大器LM4872
简单的末级功率放大器
谈谈与胆机匹配放音的音箱选择
网友评论
发表评论
所有评论
目前还没有网友评论
提交
热门资料
1
常用STK系列功放模块参数(图)
2
功放维修图文解说(多图)
3
功放的快速检修方法(图)
4
数字电调谐收音机电路原理与常见故障维修
5
音色醇厚的40W×2集成功放LM4766(图)
6
Hi-Fi功放保护电路原理剖析
7
SAP15N/SAP15P功放管参数和介绍
8
手工绕制环形变压器方法(图)
9
电路简洁的纯甲类功放(图)
网友评论