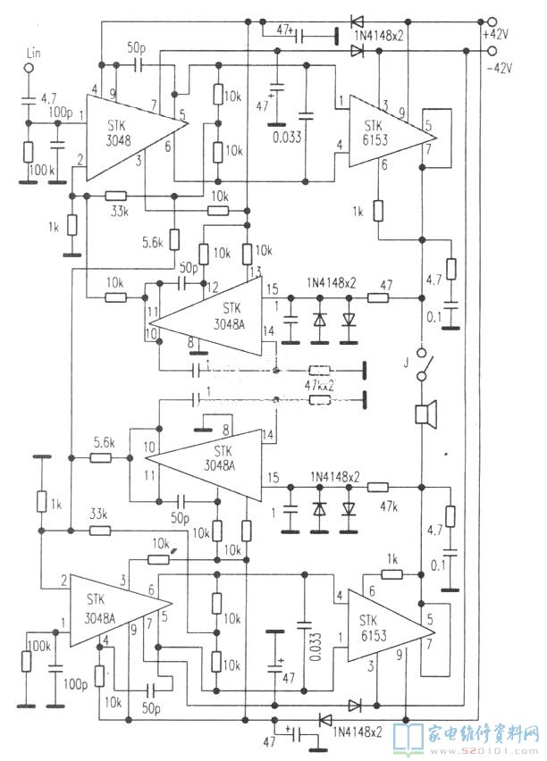
本文介绍的这款应用电路如下图所示,其主要技术特点有四:

 

    第一、采用BTL接法,输出功率可达300瓦左右,能轻松自如地提供大电流给扬声器,力度十足,又无类似炸裂感的失真。 
    第二、采用无“大环”负反馈。STK3048A为双声道前级电压放大器,与末级电流放大器STK6153独立集成,为我们提供了无“大环”负反馈的优越条件。并且电流功放管工作时产生的杂散射频干扰不能影响到前级,噪声极低。由于负反馈信号从前级电压放大取出,提高了放大器的瞬态响应,扬声器振动所产生的反电动势不会反馈到前级放大,使声音更加干净利落,无任何渲染。 
    第三、利用1/2STK3048A作为中点直流伺服,取消了负反馈对地电容,使频响高低端扩展,功放在全音域的相移、波形失真大幅度减少,也减少外加伺服电路的分布电容及不专设低压电源。另外,STK3048A第⑧脚接地也对前置放大器起一定的屏蔽作用。 
    第四、仿“独立”电源。利用二极管防止STK6153电流突强时电源电压随之下降而引起前级电压放大级的失真,省掉了专设前级放大器的独立电源,降低成本。
    此功放机成本极低,线路简单,驳接成双声道BTL输出成本不过几十元。值得注意的是本电路高电压供电(±30~±50V),厚膜块温升较高,需有设计良好的散热设施。