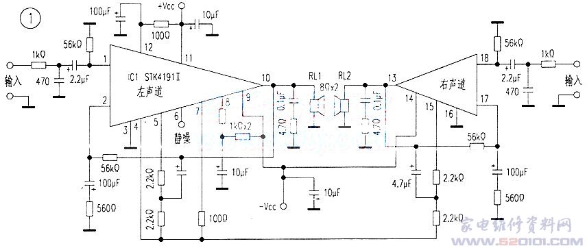
电路如图1所示:左声道音频讯号从Ic1(STK4191Ⅱ)①脚输入,经放大后从⑩脚输出50W音频功率推动左声道(8Ω)喇叭RL1发声.右声道讯号从(18)脚输入,经放大后从(13)脚输出50w音频功率推动右声道喇叭RL2发音。
IC1固定在一块20cm×20cm×0.5cm的散热片上。

电源如图2所示,Ac220V电压经BX、K加到电源变压器B初级绕组,次级绕组I、Ⅱ的电压,经整流硅堆Z1、Z2整流,C1、c2滤波后输出±35V Dc电压供给放大电路工作。
电源变压器B制作.初级用φ1.0漆包线绕880匝.次级I、Ⅱ绕组均用φ2.0漆包线绕140匝.初、次级间用φ0.45漆包线平绕(满)一层作为隔离层,其中一端接地,另一端悬空,铁心截面积4.8cm×5.3cm,功率300w。

集成电路STK4191Ⅱ参数
1.功能双声道音频功率放大.

网友评论