组合音响内部电路的功放级消耗功率最大,大电流及较高电压使该电路元器件的负担颇重。再者,市售音响功率都标记为峰值功率,这比正常最大功率大5~10倍,稍有不慎,功放块极易损坏。本文从原理着手,较系统地介绍组合音响功放部分故障的判断、检测和维修的规范步骤,希望对读者有所启迪。 

    市面上流行的组合音响及功率不大的带卡拉OK机的功放部分大都采用音频厚膜集成功放电路。这种集成块体积小、功能全、电特性优良,且元件一致性好,安装调试方便,故障率又远比分立元件为低,因此得到广泛采用。其中,日本三洋公司的sTK系列厚膜集成功放电路用得最为普遍:进口的日本先锋、山水、索尼等组合音响及国产星河、华强等都采用这一系列集成块。国产组合音响用的功放块较杂,除sTK系列外,还有飞利浦公司的TDA、日本电气公司的uPc系列芯片及国产同型号集成块。尽管种类很多,但功放集成块的内部结构大同小异,外接元件也很有规律,仅是功率大小及引脚排列、多寡不同而已。搞通一种就能触类旁通。 


一、功放集成电路原理及标准接法 

1.STK4101Ⅱ/V~STK4191Ⅱ/V 
    本系列功放块为双通道、双电源供电,内含静噪功能。其中,V系列性能指标较Ⅱ系列为高,但Ⅱ系列应用却非常广泛。 

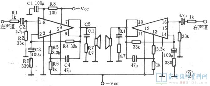
    图1为简化的sTK41xx系列集成功放块的内部结构和典型外接电路。

   图中标准的双端输入、单端输出差动电路,前置推动放大电路和复合互补推挽电路均用方框表示;T1和T1’为差动放大电路的恒流源管,向差动电路提供偏置电流;T2为静噪管,T3为静噪电路中的偏置控制管。其外接元件功能如下。 
    R1、C1为输入滤波元件,用于滤除高频噪声和外来干扰。C2为隔直电容,R2用来调整放大器输入阻抗,以期与前级匹配。R3、R4、C3构成集成功放级的交流负反馈回路,c3隔去直流。R4和R3决定功放级增益,维修替代时必须保持这两个电阻的比值不变,否则整机增益指标将发生变化:比值变小则功率输出不够,变大则有可能毁机或毁扬声器。R5、R6、c5用于改善放大器瞬态响应,实质是一个正反馈回路,用于克服深负反馈对高频信号的滞后作用,改善高音音质。R5、R 6阻值不当或变值,会引起失真。 
    R7、R8、R9和C6为静噪电路外围元件。负电源-Vcc经R9、C6滤波后,经R8接到⑧脚即静噪管T2的集电极及偏置控制管T3的基极。T2的发射极由③脚接地,电位为零。正常工 
作时T2基极接⑥脚即静噪控制端,需外加略正电位,使T2管截止。⑧脚仅有T3基极偏流,R8、R9上几乎没有压降,⑧脚电位略高于负电源电位,T3导通。恒流管T1发射极经过发射极电阻一④脚一R7一T3一⑨脚一-Vcc,前级差动放大获偏置正常工作。若⑥脚为负电位,静噪控制管T2导通,T3基极通过T2接地,电位高于T3发射极电位,T3截止。恒流管T1随之截止,差动放大级无偏置电流,停止工作。 
    接到⑥脚的静噪控制电路见图2。负电源-Vcc由桥式整流器产生;正电源+Vcc通过D1、R1、c1从同一绕组上半波整流获得。+Vcc与-Vcc电压值基本相等,经R2、R3和R4分压获得1v左右正电压,使全电路正常工作。当交流电源切断时,由于c1容量较小,正电压先于负电压消失,这相当于调小音量后再关机,抑制了电源切断时的冲击噪声。 

图1中⑩脚外接的c7、R10为相位校正元件,因扬声器为感性元件,需加容性回路加以校正。否则,电流突然切断会感应出高电压,可能会损坏功放块。同时c7还能对寄生高频加以旁路。R11、c8为差放及前放电源滤波电路,故12脚电位应略低于正电源。c4、C6、C9、c10都是电源滤波电容,若开路或容量减少,均会引起音质变坏或自激振荡,出现啸叫或汽船声。图1为0cL接法,故输入、输出电位基本为零,即①②17、18⑩13脚为零电位。


2.STK457/459/460/461/463/465标准接法 
    标准接法如图3。STK465系列也是双通道,双电源供电,与STK41XX系列集成电路比较,除了省去静噪电路的一批外围电路外,其他元件都一一对应。决定功放级增益的元件为R4与R3。 

3.STK433/435/436/437/439/441/443标准接法 
    该系列标准接法如图4。它与STK465系列相比又少了几只改善瞬态特性的外围元件。另外,它是双通道、单电源供电,接成OTL电路,C6为输出隔直电容,⑤、11脚电位为1/2Vcc,输入端①②14、15脚不再是零电位,而由R2、R6、R7及c4分别滤波、分压后供电,以保证输出端为1/2Vcc。 


4.TDA1521/A/AQ/BQ/B标准接法 
    TDA1521是飞利浦公司生产的双通道功放集成电路,其外接元件少,且含短路保护、过热保护和静噪功能,可自由接成双电源或单电源供电。外接端子仅有输入、输出及接地端。不同型号的外形封装不同,因此不能直接替换。 
    图5为TDA1521分别接成0cL和oTL的电路。该芯片的缺点是电压增益为固定的30dB,替代其他集成块时要注意。 


二、功放级故障检测
    音响集成电路功放故障检测主要判断两点:一是判断故障确实在功放级;二是判断集成块损坏还是外围元件故障。可分三步进行。 
1.询问观察  询问故障现象和故障前现象,这是至关重要的,切勿贸然通电以免扩大故障。开盖后检查有无开裂的三极管或集成电路,电解电容有无鼓涨、漏液或爆裂,电阻、二极管、三极管等有无烧焦变色的,引线塑料皮有否变形或粘贴上机壳。如有异常应先及时检测处理之。 
2.通电检查通电时首先检查保险丝。不少音响设备有两级保险丝:总电源交流保险丝1~2A,置于变压器初级回路上;直流大电流保险丝5A左右,位于主电源整流滤波级至功放的回路中。先将正负两路直流保险丝拔掉,总保险丝换好。开机后测直流保险丝输入端的电压,若电压不正常或出现异常,则表明故障发生在整流滤波部份。若机器无直流保险丝,而加电即烧毁总保险丝,可将正、负电源滤波电容至功放块电源输入端的连线或印制线路切断后通电,若电压正常则故障在功放级及其前级。 
    用万用表R×10挡测功放块正、负电源端对地的正、反向电阻。若出现某一端子正、反向对地电阻都只有几欧,则此功放芯片已损坏,需更换。否则即可接通功放电源。一路电源支路插上直流保险丝,另一路用万用表的大电流表档串在保险丝的位置,检测静态电流。正常时,这几种厚膜功放块的静态电流为几十毫安。若电流过小,说明芯片没有进入正常工作;若较大则有可能存在寄生振荡。 
    功放级故障可表现为:完全无声、单声道工作、严重失真或啸叫。首先须检查收音、录放音等功能操作和各种显示是否正常,可改换不同音源,试听故障现象有无改变,从而确定前级没有毛病。若能用高阻耳机(或示波器、音频电压表)接到图1的R1的A端和右声道对应电阻的A’端监听最好,只要声音正常就可判定故障在功放级。 
    接着可测功放块各极电压。虽然功放块种类很多,电源电压也不一样,但各引脚的正常电压有一定规则:电源输入端分别为正、负电源电压值;前级电源输入端略小于电源电压值,一般差零点几伏。双电源接法时,差动输入级的二个端子和输出端的电压近似为零;对于单电源OTL接法(如图4),上述几个端的直流电位约为电源电压的1/2。静噪电路各引脚电压前已分析过。检查时如发现电压不对或左、右声道对应引脚电压不相等,都说明有问题。表1为STK4131/Ⅱ各脚的正常电压值(电源±27V)。 

 若各点电压正常但仍无声音,则需检查功放级输出至扬声器回路及扬声器是否损坏,有扬声器保护电路的更需仔细检查。若故障为严重失真,可先检查一下扬声器是否完好,可将左、右声道扬声器对调一试,一般不会二路扬声器同时出同样毛病。然后检查图1中R5、R6、c5有无变值或漏电情况。最后检查各滤波电容容量是否减小,这可用一只100uF电容逐一并联一试。啸叫故障也主要是由这几个电阻和电容引起:若一切都很正常即可判断为集成块变质或损坏。 
3.故障寻迹若已判断为功放级故障,可参考图6流程图进行检修。逐步跟踪直至找到损坏元件。


三、集成功放电路替换
    损坏的功放块必须更换。但由于集成块种类繁多,更新又快,往往不易找到原型号集成块,只能用其他型号或手头现成的集成块更换之。 
1.同一系列的集成块替换 
    同一系列的芯片的内部结构、引脚排列及外型尺寸一般都相同,只是电源电压、输出功率、性能特性如失真等不同。因此,可以方便地直接在线路板上替换,外围元件也不必调整。但要考虑替换上的集成块能否承受原机种中的电压及输出功率。表2列出了几种双通道厚膜集成块的主要指标和替代关系。凡属同一可替代档中的集成块,序号大的都可替代序号小的;反之则不一定。极限电压低于原机最高电压(交流电网电压达260V时的正、负电源电压)的也可替换,但输出功率变小,使用必须注意。 

2.不同系列集成块替换 
    不同系列集成块,只要功率、电源电压一致,就可通过一片“过桥板”实现引脚转换(图7),再调整少数外围元件,即可实现替换。

例如,以引脚较少的STK465替换引脚较多的STK4151时,应通过过桥板实现表3的引脚对应关系:这时,STK4151原印刷板(图1)上的C4必须拆掉,并将R6直接与负电源相接。两对R5、R6换成3.3k和1k。这样替换以后电路静噪功能消失。不过有些机种其静噪功能是由扬声器保护电路统一实现,因而不受影响。 

用STK4151替换STK465。若不接静噪端子,替代较方便。在过桥板上用一只100Ω的电阻把④脚与⑨脚相连,使差动偏置直流由负电源供电,电路中T2、T3都不起作用。其引脚对应关系如表4。 

这时,STK465印刷板上原④脚和⑩脚接出的电阻R5、R6全部换成2.2k即可。 
3.万能替换 
    现有一些厚膜集成块外接引脚极少,只有正、负电源,地线,二个通道的输入输出。如飞利浦公司的TDAl521和国内傻瓜255、275等,替代时只需将这类功放块安放在过桥板上,将7个脚(有时多用几个地线脚)分别接入对应的原印刷线路板相应管脚处即可,见图8。为防自激,可在所用集成块电源脚根处焊二个O.1uF的退耦电容。原印刷板功放块外围元件,除输入滤波、耦合元件外,可全部拆去。 

 这几种集成块的电压增益都是30dB,而STK系列的标准接法都为40dB,为达到额定功率,需使前级增益提高10dB即放大3倍。但一般家庭使用,很少有人开到满功率,为图省事 
也可不动。 
    原则上,任何一种同功率的集成块,按标准接法制作成一小印刷板,留出上述7个端子,都可替代原功放级。这也体现了厚膜集成块的优越性。 
4.单通道集成功放运用 
    表5列出了一些单通道厚膜集成功放的基本参考,其原理、接法与双通道的一样,只是只有一半罢了。用两块即可替代前述的某一块使用。若双通道功放块只损坏一半,也可用一 
块单通道集成块来修理,只是安装位置困难点,再者两路对称性不及一块的好。