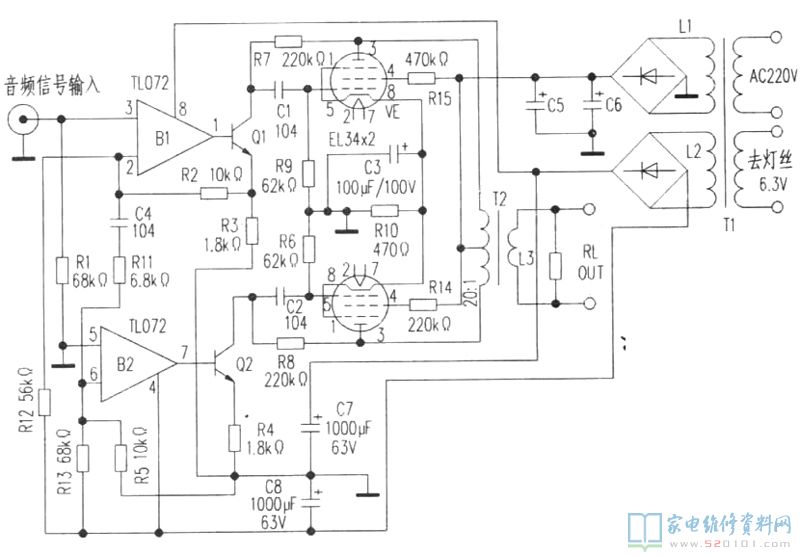
笔者制作了一款胆机功放,电路见附图;该功放经长期测试感觉其音质效果很不错,现介绍给大家。该功放用了两只EL34型胆管和一对晶体管、运放块TL072等元件组成。运放器B1/B2与晶体管Q1、Q2构成两个完全对称的跨导式放大器,由于这个电路具有输入阻抗高、输出阻抗低、稳定性好、失真小等优点,所以值得胆机爱好者一试,安装完成后,如焊接无误,无需调试,一装即成。该放大器输出功率大于30W,失真度小于2%。
笔者制作了一款胆机功放,电路见附图;该功放经长期测试感觉其音质效果很不错,现介绍给大家。该功放用了两只EL34型胆管和一对晶体管、运放块TL072等元件组成。运放器B1/B2与晶体管Q1、Q2构成两个完全对称的跨导式放大器,由于这个电路具有输入阻抗高、输出阻抗低、稳定性好、失真小等优点,所以值得胆机爱好者一试,安装完成后,如焊接无误,无需调试,一装即成。该放大器输出功率大于30W,失真度小于2%。
网友评论