• 十六进制PID码转换成十进制码的比算方法

    将十六进制PID码转换成十进制PID码一般都要借助计算器或PC,笔者经过摸索发现简单、快速的笔算方法供大家参考。十六进制数字为0、1、2、3、4、5、6、7、8、9、A、B、C、D、E、F。笔算时A为10、B为11、C为12、D...

    佚名   2019-04-23

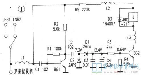
  • 适合初级发烧友自制的22kHz脉冲切换器

    脉冲切换器是根据卫星接收机22kHz脉冲信号的有无控制其内继电器的吸合或释放切换两副天线,以解决人工频繁插拔LNB的F接头的麻烦。下图1是切换嚣的电路图,来自卫星接收机的22kHz脉冲信号通过电感L1(L1的作用是阻...

    佚名   2019-04-23

  • 自制一款抛物面天线仰角测量仪

    在安装抛物面天线时仰角无法准确测量,给寻星带来相当大的困难。笔者在实践中自制了一套简单而实用的仰角测量仪。找一块0~360°量角器和两根细尼龙线,将一根尼龙线沿量角器的0 - 180°线用胶粘上,再用一重物系于仰角测量仪下端的尼...

    佚名   2019-04-23

  • 给Ku天线做一个仰角指示器

    0.8m以下的Ku天线一般都是上墙的,大都没有仰角指示刻度,有的即使有刻度也很粗糙,本文给读者介绍在Ku天线上自制一个测量仰角的指示器,方法见下文详细介绍。 1.量角器的制作 ...

    佚名   2019-04-23

  • 谈谈天线和高频头的技术指标参数

    制造商能直接提供给用户的技术指标参数并不多,而且各个制造商制定或采用的标准也不尽相同,有些器材虽然相同,但不同的品牌由于技术标准及测试的方法不一样,所提供的资料也不方便统一汇总,只能选一些有技术指标的卫视器材供大家选购时参考。&nbs...

    佚名   2019-04-23

  • 三款0/12V切换器的制作与比较

    本文笔者看过一些报刊曾报道过0/12V切换器的制作方法,笔者对其进行了实验并对电路进行改进、重新设计。现将有关实验情况报告如下,供同行们在制作时参考。 实验一 ...

    佚名   2019-04-23

  • 自制Ku波段偏馈天线快速寻星装置

    一、方位角指示装置 0.75米以下的偏馈天线重量不足10kg,可以把它整体装在一个圆形底板上,底板要有一定的强度,可用8mm厚的硬质木板或5mm厚的塑料板做成。底板上钻一中心孔,固定天线时,要将天线的立柱对准中心孔...

    佚名   2019-04-21

  • 谈谈卫星接收的仰角测试

    在卫星接收中,仰角调试好了会给你的寻星带来事半功倍的效果。笔者介绍的“仰角测试仪”,取材方便,用一根截面为3cm×3cm左右、长2m的直木方,一个量角器、棉线和一颗螺帽便行。做法是把量角器角度线的中心打一小孔,...

    佚名   2019-04-21

  • 寻星时确定地理正南方的方法

    寻星族在调试卫星天线方位角时,有相当一部分人把指南针所指的南方误认为是地理正南方,以至确定某颗卫星方位角时出现误差。事实上,指南针所指的南方为磁南方,并不等同地理正南方,它们之间存在磁偏角。 ...

    佚名   2019-04-21

  • 卫星天线高频头故障的判定

    我们在确定高频头(LNB)故障之前,应先确认卫星天线、接收机、监视器等均无故障方可继续排查。LNB的故障主要表现为以下几种形式(以模拟为例): 1、无图像无伴音 ...

    佚名   2019-04-21

  • 半波折合振子和半波振子天线与连接馈线的阻抗匹配

    天线与馈线的连接,是安装天线时十分重要的问题。若连接不正确,将直接影响接收效果。其连接方式,取决于天线中有源振子的形状和馈线的种类。一般常用的有下列情况。 一、天线的有源振子为半波折合振子...

    佚名   2019-04-21

  • 自制一款寻星仪

    寻星仪是卫视爱好者寻找卫星的有力工具,有了它后不需将接收机、监视器等设备搬到天线附近,便可快速找到卫星,精确调整天线指向,特别是对于没有模拟场强显示或所用的数字接收机显示缓慢的爱好者来说,更是事半功倍,使用非常方便...

    佚名   2019-04-21

  • 玩转C/Ku复合高频头

    C/Ku复合高频头只要配上相应的数模一体接收机,就可轻而易举地实现“一机一头,通吃一星”的目的。但由于复合波段振子位置及焦距的相互差异,调试时相互牵制影响较大,常出现C/Ku波段不兼容的现象。笔者接到不少求援电话和信件,现特意找...

    佚名   2019-04-20

  • 自制C/Ku复合高频头的实践

    1、C波段高频头为高斯贝尔,中频5.150GHz,Noise:17°K,Ku波段高频头为ASK,中频10.75GHz,NF:-0.8dB。 2、Ku头的波导管长150mm,外径为20mm。由于笔者地处农村,很难找到合适的铜管,故选用铝管,经实验效果不错。 ...

    佚名   2019-04-20

  • 漫谈各种卫星中频切换开关

    最初的模拟卫星接收机一般只有一个中频输入端口,且高频头的电压也是固定的15V,只能接收单极化节目。后来不少爱好者将其改为了13/18V。最早的中频切换开关应是13/18V开关,13/18v电压本来是用于切换高频头的水平和垂...

    佚名   2019-04-20

  • 一般常见的两种高频头损坏原因及检修

    造成高频头损坏最常见的两种情况是;雷击损坏及高频头供电电压长时间偏高。 一、雷击损坏 雷击损坏主要是抛物面天线没有设置合格的避雷措施...

    佚名   2019-04-20

  • 业余制作C/Ku复合高频头的要点

    随着通讯卫星的发展,大多数卫星都采用c、Ku两个波段传送信号,要用一面天线接收两个波段的节目,则需要使用C/Ku一体化复合高频头。但目前这种复合高频头相对价格还比较高,于是一些烧友动手用C、Ku双极化高频头改制复合头...

    佚名   2019-04-20

  • 用三个元器件实现卫星电视接收机的异地遥控

    本文笔者在电视机里加装了两个器件,在卫星接收机里装了一个器件,再通过一根普通的AV线连接。即实现了异地遥控功能。具体制作如下: 一、彩电的改造 &nb...

    佚名   2019-04-20

  • 一款实用的多星切换开关电路

    进行多星接收经常要使用各种开关来进行LNB的切换,较为常见的有22kHz、0-12V、DiSEqC等开关,在实际使用中常常会遇到一些局限或不足。例如:目前有很多接收机取消了12V切换功能或不具备12V开关的输出端子,使菜单里的选项形同...

    佚名   2019-04-20

  • 同洲981B卫星接收机锁定灯长亮故障

    由“村村通工程”配发的同洲981B数字卫星接收机,已经使用了5年多,在一次重新开机后,出现锁定指示灯长亮,10秒钟后通道频率显示为4个“日”形,信号强度无指示,遥控、手控均不起作用,不能调出菜单,屏幕上亦无任何显示,无伴音;去掉...

    佚名   2019-04-18