您好,欢迎您访问家电维修资料网
登陆
免费注册
实用工具
手机版
用手机访问
首页
维修资料
彩电维修资料
彩电总线调整
维修基础
电子线路
电子制作
空调制冷
家用电器维修
音响功放
卫星有线
VCD、DVD
通讯设备
办公设备
数码摄录
计算机设备维修
软件下载
培训教材
电路图纸
长虹彩电图纸
康佳彩电图纸
TCL彩电图纸
海尔彩电图纸
创维彩电图纸
海信彩电图纸
其他彩电图纸
合资彩电图纸
LG彩电图纸
松下彩电图纸
三星彩电图纸
索尼彩电图纸
东芝彩电图纸
夏普彩电图纸
飞利浦彩电图纸
DVD功放图纸
家用电器图纸
数码相机图纸
显示器图纸
维修工具图纸
数据下载
长虹彩电数据
康佳彩电数据
TCL彩电数据
海尔彩电数据
创维彩电数据
海信彩电数据
其他彩电数据
合资彩电数据
厦华彩电数据
DVD机顶盒数据
说明书
彩电说明书
显示器说明书
家用电器说明书
遥控器说明书
影音系统说明书
视频
彩电维修
空调制冷
电脑软件
办公设备
显示器维修
电子线路
维修基础
电工技术
通讯维修
DVD维修
生活电器
仪器仪表
其他技能
电子制作
搜 索
首页
空调制冷
正文
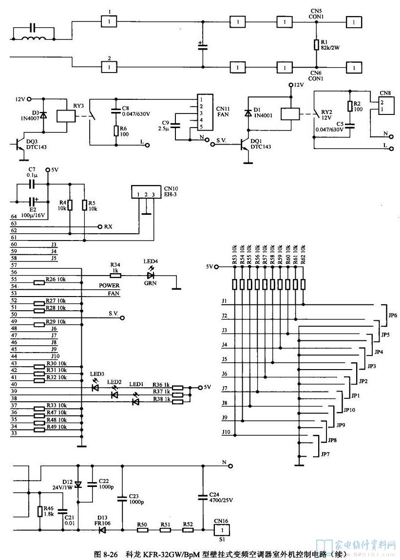
科龙KFR-32GW/BpM型壁挂式变频空调器电路图
2017-08-18
作者:voyager整理
6109
评论
一、科龙KFR-32GW/BpM型壁挂式变频空调器室内机控制电路
二、科龙KFR-32GW/BpM型壁挂式变频空调器室外机控制电路
其他推荐
东芝FH(D417971501)柜式空调不工作故障检修
三菱电机定频空调自动停机无提示
科龙KFR-32GW/BPM变频空调室内风机运转一会儿
海尔KFR-25GW×2/Bp型一拖二变频空调电路图
海尔KFR-50LW/Bp型柜式变频空调电路图
美的KFR-50LW/F2BpY型柜式变频空调电路图
网友评论
发表评论
所有评论
目前还没有网友评论
提交
热门资料
1
日立RAS-25JVZ/RAC25JVZ变频空调内机不通电的故障维修
2
各种型号压缩机功率对照表以及压缩机详细技术参数(多图)
3
维修必学:一起认识冰箱的主要结构(图)
4
海尔空调0011800223模块板维修图解
5
冰箱压缩机解剖图(多图)
6
冰箱排水管堵的处理方法(图)
7
再也不用担心冰堵了,解决冰堵最佳方法
8
安装空调的时候用水钻快速打孔的方法和技巧
9
空调电脑板的相关维修知识(图)
网友评论