海尔变频电冰箱型号众多,结构、功能各有特点,但电路控制原理基本相同。本文以BCD-550WYJ型变频电冰箱为例,介绍常见故障检修思路和检修方法。该冰箱由主电源电路、辅助电源电路、微处理器CPU(主控芯片)、复位电路、时钟电路、温度传感器电路、开关控制电路、风机电路、接口电路、操作显示电路、照明灯电路、阀门电路、蜂鸣器电路、变频控制电路及变频压缩机等组成。CPU根据手动开关控制指令和传感器检测反馈信息,输出驱动和调控信号,进而精确地控制冷藏室冷冻室、变温室及制冰机的温度。
1.主控芯片(CPU)电路
智能控制板主控芯片为IC1 (MC68HCO8AB32-64),64脚。此IC正常工作,除CPU自身良好外,还必须具备供电正常、有时钟振荡脉冲及正确的复位信号,这三个基本条件,缺一不可。相关电路见图1。

(1)查+5V电压
智能控制板由辅助开关电源电路供电,此电源采用的开关电 源芯片为IC201。(NCP1200P100),大功率场效应开关管MOS200I ( FPQFSN60C),配以光耦合器IC203(PC817A )和稳压块IC202( MC7805CT )等,产生+5V、+12V、+16V三组直流电压,为智能控制板各单元电路供电。CPU 22、44、54、55脚为+5V电源端,21、45、46脚为接地端。检:查+5V脚无电压或电压过高、过低,可先检查辅助开、关电源电路+5V电源输出是否正常,查上述各脚有无开焊、线路板铜箔断裂或漏电,及支路负I 载短路等。
(2)查时钟振荡电路
测CPUS 58、59脚或石英晶体XT1(4MHz)两脚对地电压,正常值应分别在1V和2V左右,若电压异I常,说明时钟电路停振或偏离正常振荡频率,可选同型号晶体予以代换。
(3)查复位电路
复位电路由P12、R88~R90、R82、C22等组成,为CPU③脚提供复位电平信号。在上电瞬间CPU③脚应有0v~4.8V的跳变电压,否则判i断复位电路工作异常。可检查相关元件是否良好,通常P12、C22不良引起不复位故障较多见。
(4)查CPU
检查确认+5V供电、时钟和复位信号均正常后,再查CPU各脚对地电阻及电压,如有明显异常,在检查相关引脚无虚焊、脱焊或短路及外围元件良好时,可考虑CPU自身损坏或不良。
特别提示:CPU为大规模贴片式集成电路,因电路板线路和集成电路引脚排列密集,拆装难度很大,所.以在检修时不要盲目更换CPU,一定要检查外围电路及元件均正常,并通过收集检测数据与实测数据加以比较,基本确定集成电路存在故障时,再细心掌握好热风枪的热度来加固引脚焊点,若故障依旧,直接更换怀疑有问题的CPU。
2.蜂鸣器电路

见图2。由CPU、N15、N16、P9、R79~R81、R83~R85、CE1及压电蜂鸣器BUZZ1等组成。N15、P9组成两级放大电路,当CPU 15脚输出高电平控制信号时N16导新通,BUZZ1接通电源,此时⑤脚输出的频率约为3.8kHz、幅度为5V的脉冲信号电压,使BUZZ1 发声。蜂鸣器电路的故障主要是蜂鸣器不响或发声异常等。首先检查蜂鸣器是否正常,该蜂鸣器为方波脉冲驱动型,可将其从线路板上焊下来,用指针万用表Rx1挡进行测量判断,以两表笔碰触蜂鸣器两电极瞬间能发出轻微的“咔嚓"声为正常,否则蜂鸣器损坏应换新,然后检查驱动电路,P9的e极应为+12V,操'作任意按键时,⑤脚应为高电平,N16导通;15脚亦应为高电平(幅度约5V,频率3.8kHz),P9的b极为低电平使其导通,BUZZ1两端电压幅度应有明显变化。否则应检查N15、N16、P9等相关元件。
3.开关控制电路

相关电路见图3。共设sw1~sw6六个手控或门控开关。sw1为吧台手控分配开关,闭合时,市电火线L和零线N经R119、D22、IC7①、②脚内部发光管、插件CN6⑤和②脚及sw1触点形成回路,IC7③、④脚内光敏管受光后导通,经R116等将+5V高电平加至CPU 63脚,实现吧台加热、照明等控制。sw2、sW3分别为冷藏室和冷冻室门控开关,门关闭时,开关接通到地,将低电平关门信号经R31、R46送至CPU 48、20脚,进而通.过电气系统控制接口电路控制冷藏室、冷冻室的照明和风机等的工作状I态。制冷机装有sW4、SW5、SW6三个开关,SW4为制冰门开关、SW5为制冰检测开关sw6为制冰停机开关,R62~R64、R71、R73、R74.C18~C20等组成接口信号传送电路,将sW4~SW6开关信号送到cPU 29~27脚,通过电气接口电路控制制冰机工作状态。
不同开关发生故障时,表现各不相同,通常为照明灯工作异常,风机作异常,压缩机运转异常,制冷或制冰温度异常,制冷机工作异常等。
(1)查开关。
拔掉怀疑有问题的开关插件,按开关类型用万用表RX。挡测其两脚间电阻:断开时阻值为无穷大,闭合时为0Ω,表示开关触点接触正常。若被测开关处于开路、短路、接触不良及不回位,都属开关故障,应选同型号开关更换。
(2)查开关控制信号电路。
确认开关正 常后,测开关控制信号电路的反馈电压。如吧台分配开关sw1电路故障,可测IC7①、②脚间有无2V左右直流电压,无此电压说明市电L、N间未构成电流通路,由于sW1经检查正常,所以应查R119是否烧断,D22是否开路或失效,IC7①、②脚有无脱焊或内部发光管失效,CN6 2、6脚有无接触不良或引线断脱。如sW1闭合时 IC7①、②脚有2V左右电压 ,说明IC7 输入侧电路 工作正常,此时测CPU 63脚应有约+5V的高电平电压(实测4.9V),若63脚为0V或电压偏低,可能是CE6、C33击穿漏电,R116脱焊开路或IC7③、④脚内光敏管失效、损坏。如遇到冷藏室门开关sw2电路故障时,可测智能控制板上。CPU 48脚电平,当冷藏室门打开时sw2为常开状态,48脚应被R32上拉为高电平,当关闭冷藏.室门(或用手将SW2按下)时,48脚应为低电平基本正常。若48脚始终为高电平或始终为低电平,可依次检查插件CN4③、④脚有无接触不良或引线折断,+5V电源是否正常,门开关控制电路R31、R32、G12有无开路、短路或变值。sW3~sW6电路故障时,可仿此检修。
4、温度传感器电路(见图4)
温度传感器工作失常时,因其安装位置及作用不同,故障现象也各不相同,如冷藏室冷冻室、变温室及制冰工作温度过高或过低,风机、加热器及变频压缩机工作异常,达不到或超过预设温度,显示温度不正常等。仍以冷藏室为例,可分两步检查。
(1)查温度传感器。拔掉怀疑有问题的传感器RTI或RT2接插件CN4,测RT1或RT2两脚间的阻值,正常时应为适时环境温度下的对应电阻值。也可通过改变传感器温度、测量其两端阻值变化情况来进行判断。温度越高阻值读数越小,反之亦然。在常温. (20C)下读数若为其标称阻值,说明器件良好。如存在短路开路、阻值不符及感测温度不敏感,均属传感器故障,应选用同型号的热敏电阻更换。
(2)查温度传感器信号采集电路。如检得RT1、RT2基本正常,可对传感器加温或降温,测CPU对应的39、40脚电压,正常时应有一定幅度的电压变化过程。若无电压或电压不变化,则先检查接插件CN4 5、6或⑦、⑧脚有无引线断脱及接触不良,相关印刷线路铜箔是否断裂;再检查+5V供电是否正常;最后查I R30、R33、C3及R29、R34、C4是否存在脱焊开路、短路漏电或变值等,发现不良元件应及时更换。
5、加热器电路(见图5)
共RL1~RL8个加热器。加热器供电分+12V、AC220V两组。由CPU 47脚输出高电平控制N21导通,K1(触点容量5A/250V)得电吸合,其常开触点闭合后接通+12V电源,分别经CN4、CN5、CN2①、②脚,为冷藏室风门加热器RL1、变温室风门加热器RL2、出冰口盖板加热器RL3供电。另一组加热器有:制冰进水管加热器RI4和RL5(并联人化霜加热器RL6和RL7(并联)、吧台加热器RL8。分别由电气系统控制接口电路(见后述中的K8、K4和K3、K13常开触点控制,其中RL6和RL7由K4、K3共同控制串联关系)。各加热器故障表现各异,通常为电冰箱风门、出冰口盖板、吧台及化霜工作异常,压缩机运转异常,制冷;或制冰温度异常,制冰机工作异常等。(1)查加热器。拔掉怀疑有问题的加热器插件,测加热器两脚间电阻,若阻值为无穷大,说明加热器烧断开路 ,应选同型号的更换。(2)查加热器控制电路。确认加热器无问题后,检查相应的插件有无接触不良或断线,继电器触点有无氧化、锈蚀、积垢等导致的接触不良或触点电蚀烧结在一起不能释放。 再查+12V或AC220V 供电是否正常。若K1不吸合,一般为R68脱焊开路N21开路损坏、D36击穿漏电、K1线圈烧断引起,此时RL1-RL3均失电不工作。若是K8、K4、K3、K13不吸合,除检查继电器外,还应查电气系统控制接口电路是否工作失常。
6、风机控制电路
M1~M5分别为冷藏室风机、冷冻风机、冷却风机、变温室风机及制冰风机。(1)M1及M4控制电路(见图6)
(2)M2和M3控制电路(见图7)
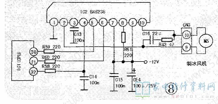
(3)M5控制电路(见图8)
风机控制电路的故障通常表现为电冰箱风机电机不运转,风速异常,转速变慢,时转时停,噪声大,制冷或制冰温度异常等。检查方法是:
(1)查电机M1~M5。先拨动风机扇叶或制冷电机转轴,观察转动是否灵活,如感觉卡滞或转动不灵活,可作轴承清洗、注油处理a再测电机线圈电阻值,判断绕组是否正常,如线圈存在开路、短路碰壳或线圈烧损,则作更换电机处理。
(2)查电机供电。查M1~M5驱动电压,正常时M1、M4、M5为+ 12V ,M2、M3为+16V。若无电压,可分别检查CN4⑨~12脚(M1)、CN1⑦~12脚(M2、M3)、CN5③~⑥脚(M4)、CN3 9、10脚有无接触不良或引线断脱。再查驱动电路+ 12V、+ 16V供电是否正常。
(3)查驱动电路。MI(或M4 )有故障时,先测CPU移43、46、42脚电压,当电路正常工作时,被测引脚按程序设计输出相应的高或低电平,说明cPU输出的控制信号正常再检查CN4 9~12脚接 插是否牢靠,+12V电源电压是否正常,及驱动电路N8~N14,P2、P4、P6、P8,D3、D6、D9、D12~D16等元件是否存在开路、短路、性能不良或烧损;M2或M3有故障时,先测CPU 16、17脚驱动电压,如为高电平说明CPU输出控制信号正常。再检查CN1⑦~12脚是否存在断线或接触不良,及+16V供电是否正常。再测CPU⑦、⑥脚反馈电压,如不正常可检查+5V供电及C5~C8、R47、R48、R52、R53有无脱焊开路或短路漏电。最后检查驱动电路N17、P10、R44.R86,D17、L1、CE2或N17、P11、R45、R87、D18、L2、CE3等是否开路、短路、性能不良或烧损;M5电路有故障时,先测cPU 30~32脚电压,正常时应输出相应的高或低电平。再检查CN3 9、10脚有无接触不良或断线,及+12V供电情况。最后检查驱动电路IC2、R58~R61、R43、C13~C16、CE4等元件是否存在开路短路性能不良或烧损。
7、操作显示电路
操作显示电路分两部分。一是变温室操作显示电路,如图9所示。CPU的52、53、60、61脚输出控制信号及数据信息,通过8位移位寄存器IC8(cD74HC595)进行功能扩展后,完成变温室的操作显示功能。CPU 52脚为控制键信号输入端,IC8各脚功能是:16和⑧脚为电源( +5V )和接地端;15、①~⑦及⑨脚为移位数据输出端;13脚为使能端,加电时由CE5、R57设置;10脚为复位端,但由于该电路不需要对其进行复位,所以直接将其接+5V电源;12、14脚为数据、时钟信号端;二是面板操作显示电路,如图10所示。
操作显示电路的故障通常表现为操作键失效失灵及LED显示屏不显示显示紊乱、显示字形缺笔画(段)等。应重点进行如下检查:
(1)检查+5V供电。首先测量操作显示板上+5V电源电压是否正常,如果无电压、电压过低或时有时无,可检查智能板和显示板上插件是否存在断脚、插脚氧化锈蚀、脱焊、排线虚焊、断脱或严重腐蚀,应进行清洁和重焊处理。(2)检查操作键。由于操作键按压动作频繁,较易产生故障S cPU判断操作键是否有效的原则是:一个按键单独接通电路视为肯定,两个以上按键同时接通电路则判为否定。因此应逐-检测每个按键是否接触不良或短路漏电,必要时应进行清洗或更换。(3)检查CPU信号传输电路。重点检查CPU 18、19、52、53、60、61脚有无开焊或相关印刷线路铜箔断裂,。IC8、N19、N20及相关阻、容元件是否存在开路、短路、变质及烧损等。
8、电气系统控制接口电路

电路如图11所示。由8位移位寄存器IC5、IC6(CD74HC595,引脚功能见前述),反相驱动器IC3、IC4 (ULN2003)、继电器K2~K15及CPU等组成。IC3.IC4的⑨、⑧脚为+ i2V电源和接地端,①~⑦脚为控制信号输入端,与其一一对应的16~10脚为反相驱动输出端,分别控制14个继电器的吸合或释放。控制指令信号由CPU①、④、8、10、12、64脚输出送至IC5、IC6,经8位移位寄存器进行功能扩展后,由IC3、IC4反相驱动K2~K15中不同继电器吸合,进而控制对应电气系统执行器件工作。
该变频电冰箱共采用CN1~NC9九对接插件,为方便查找故障部位或故障元件,现将它们的引脚接口功能列于表1~表9。

电气系统控制接口电路故障通常表现为电冰箱照明灯不亮、化霜加热器工作异常、电磁阀门工作异常、吧台分配器工作异常、制冷及制冰温度异常、制冰机工作异常等。检查方法如下:
(1)检查相关器件是否良好。这些器件包括照明灯LED1~LED4、电磁阀RF1~RF4加热器RL4~RL8、送冰电机M6及保险丝F1等。方法前已介绍过,就是测器件两端电阻值,如阻值为无穷大,说明器件开路或烧损,如阻值为0Ω或很小,说明短路或漏电。
(2)检查控制电路。如遇到冷藏室冷冻室、分配器照明灯故障时,在确认相关器件完好后,先检查插件CN9②、④脚,CN7①脚及CN6④脚是否存在开路、短路、引线断脱或接触不良。接着查继电器K2、K6、K14线圈是否烧断开路及其触点是否接触不良、烧结不释放等。然后检查AC220V的L(火线)N(零线)供电是否通畅。最后检查集成电路IC3~4C6。检查; IC3、IC4时,先断开①~⑦脚,通电后用+5V电压依次触碰①~⑦脚、16~10脚应分别输出低电平,对应继电器若有吸合声,则为正常,否则反相驱动电路IC3、IC4损坏。检查1C5、IC6时,如IC5②脚、IC6③、⑦脚始终为高电平或低电平,在检查16脚+5V供电正常时,再测IC5、IC6 11、12、14脚输入信号电压或波形,若正常则为IC5、IC6损坏,应更换。如不正常,可检查CPU 1、4、8、10、12、64的脚有无脱焊开路,若CPU上述引脚输出不正常,可参考前述检查+5V供电时,时钟脉冲及复位信号,如均无问题,就是CPU内部局部电路损坏,更换CPU可排除故障。如遇到分配器加热器、化霜加热器、吧台加热器、分配器开关、送冰电机IM6、出冰口盖板电磁阀、冰块选择电磁阀、制冰机进水电磁阀冷饮电磁阀等故障时,可以此类推,在此不作重复叙述。
网友评论