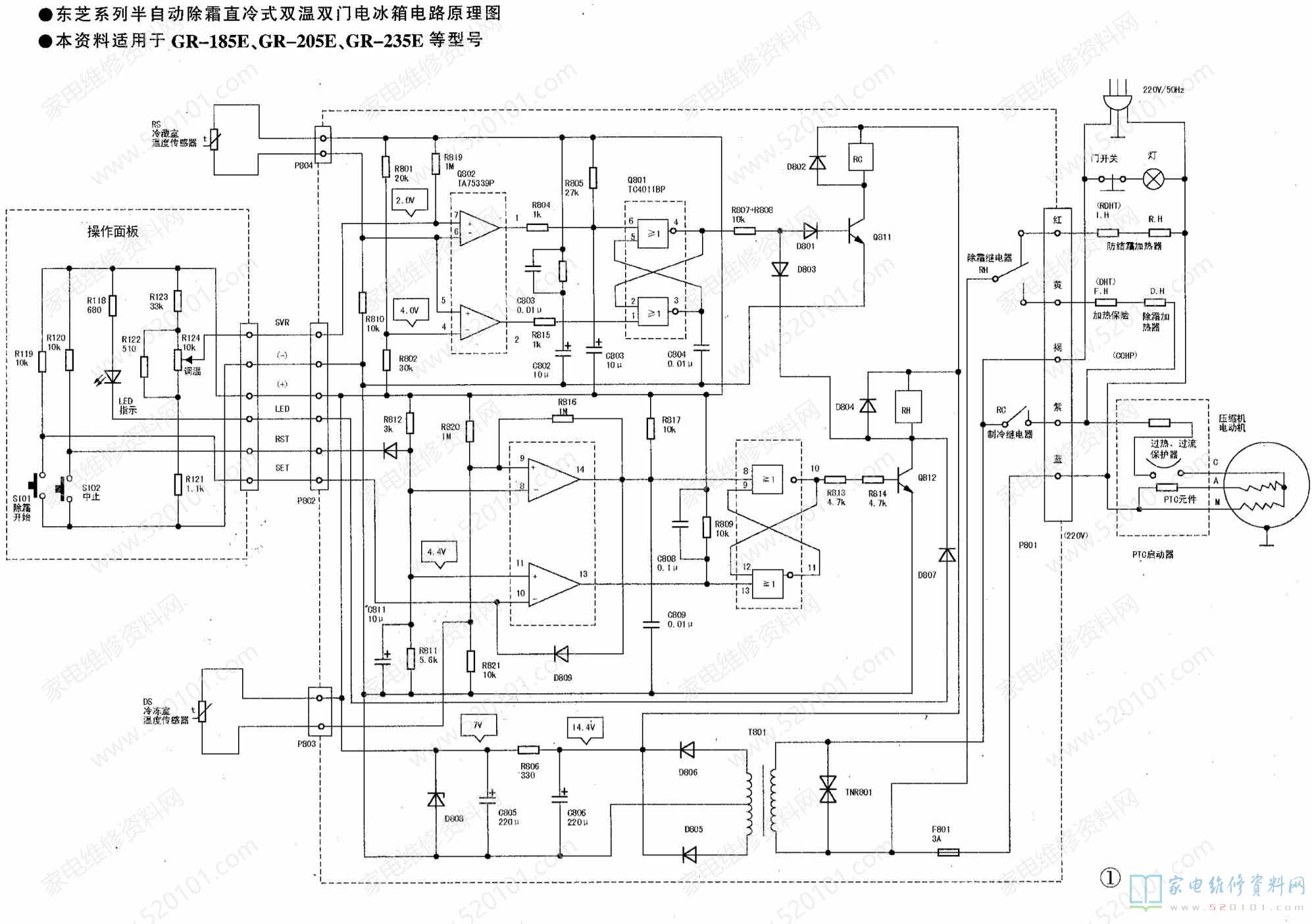
本资料适用于GR-185E、GR- 205E、GR-235E等东芝系列半自动除霜直冷式双温双门电冰箱。其控制电路由双越限控制电路、温度控制电路、手动除霜电路及PTC启动装置组成,电路原理如图1所示。
故障判断要点如下:
1.主电路板检测(1)测量14V(14.4V )和7V(6.8V~7V)直流电压,若电压失常应检查整流、滤波和稳压电源电路。
(2)集成电路Q802( TA75339P)的几个直流参考电压:④脚电压为4V,⑧、11脚电压为4.4V。若电压值不符,则可通过改变相应分压电阻(R801、R802及R812、R811 )进行校正。如④脚电压<4V,压缩机的开车、停车次数会增加;如④脚电压>4V,则停车的时间增长,制冷量不足;当④脚电压<4.4V时,则除霜不彻底,反之除霜时间会增长。
(3)操作面板温度调节旋钮(R124 )位置改变时,测试P802的sVR端子电压是否在1.6V~2.4V之间变化,否则应检查分压电阻(R121~R124)。
(4)测P802各端子电压:一端0V;+端6.8V~7V;LED电压:制冷时大于14V,除霜时0V;RST电压:制冷时大于6V,除霜时0V;SET电压与RST相同。
(5)制冷时Q811的Vg=0.7V,Q812的Vp=0V。
(6)除霜时Q811的Vg=0.3V,Q812的Vp=0.7V。Q801、Q802、Q811、Q812在各种状态下的各引脚电压见表1,供维修者参考。
2.主要故障检修流程
(1 )不制冷故障检修流程见图2。
(2)过制冷故障检修流程见图3。
(3)不除霜故障检修流程见图4。

网友评论