B-52模块是波茵公司开发的款体积小巧 、功能齐 全的空调维修模块,不仅具有挂机空调的全部功能,还具有天花机的定时抽水功能,还可用于维修2匹以内的柜机空调。
该模块采用螺钉式接线端子设计,如图1所示,相关连线如图2所示。这种连接方式有利于提高改动效率,便于快捷地维修各种空调。
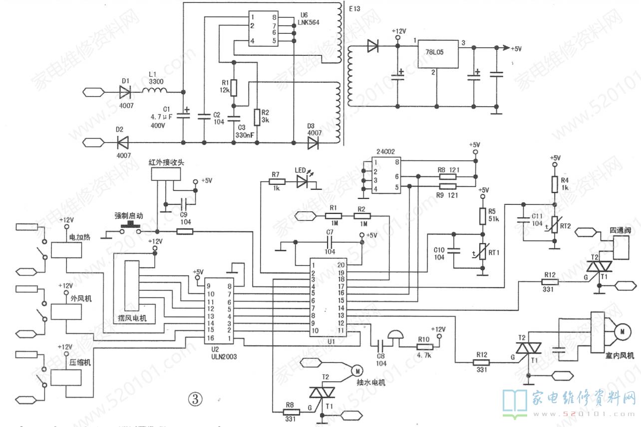
该模块的电路如图3所示,下面对各单元电路进行分析。
1.开关电源电路
该电源采用反激式电源芯片LNK564(U6),其⑤~⑧脚与芯片内部的功率型MOSFET管的源极(S)连接;①脚为旁路端(BP),外接一只0.1uF的旁路电容,芯片内部产生的5.8V电压送到该引脚;②反馈端(FB),芯片根据此脚电压自动调整开关管的导通时间;④与功率型MOSFET管的漏极(D)连接。
2.ULN2003驱动电路在空调电路中,由于CPU输出的电流小、电压低,带载能力弱,一般不能直接驱动负载,因此在电路中需增加驱动芯片。本模块采用反相器ULN2003(U2)作为驱动芯片,驱动继电器、步进电机等执行器件。U2采用贴片sOP-16封装形式,⑧脚接地,⑨脚接+12V电源,①~⑦脚分别与16~10脚一一对应。 当①~⑦脚为高电平时,则16~10脚输出低电平,起到输人与输出反相的作用。
3.存储器电路
存储器电路主要存储实现空调控制的各种数据,并且掉电也能保存这些数据。本模块的存储器型号是24C02(U3),工作电压为5V,其⑤脚(SDA)、⑥脚(SCL)分别与单片机U1的15、16脚相连,以便实现总线控制。
4.过零检测电路
U1的18脚通过两只电阻R1、R12连接到市电L线上。CPU通过检测、判断电压的零点,给CPU提供一个标准,从而获得与电源同频率的方波过零信号。这个标准的起点电压就是零电压,风机控制电路的可控硅导通角的大小就是依据这个标准进行控制。
5.风机调速电路
在过零处,U1的13脚依据目标转速的要求调整输出脉冲,从而通过导通相位角和导通时间控制双向可控硅模块,进一步调整和控制风机转速。本机的内风机工作时低风挡的转速对应的交流电压是AC145V,中风挡是AC165V,高风档是AC220V。
6.传感器接口电路
室内机的传感器主要由环境温度(室温)传感器和管温传感器组成。环境温度传感器RT1是一只负温度系数的热敏电阻,它的特点是温度升高电阻值变小;温度下降,阻值变大。当环境温度比较高或刚开空调设备时,RT1传感器电阻小,支路电流大,分压电阻R5两端的电压差高,U1通过19脚的电压值与内部的设定电压比较,决定设备的开/停、压缩机的运转速度、风机的速度等。
管温传感器RT2也是一只负温度系数的热敏电阻,工作原理与室温传感器相同,安装于内机盘管中,用于检测盘管的温度,对设备进行控制与保护。当传感器异常时,指示灯会以亮0.2s熄0.2s的规律闪烁。
7.天花机抽水
此端口接天花机时,作为天花机定时排水控制端抽水2分钟,停止14分钟。接2P以内柜机时,此端口作为柜机的摆风电机控制端,连.续按遥控器灯光键3次,此口有电压连续输出,再连续按遥控器灯光键3次,此端无输出,摆风电机停止工作。
二、常见故障处理常见
故障处理见表1所示。
步骤1:将压缩机控制线(黑色)连接到B口,公共线(蓝色)接到L口(零线),如图4所示。
步骤2:将室外风机线(粉红色)连接到M口,四通阀线(紫色)连接到E口,如图5所示。
步骤3:接抽头电机(PG电机),将控制线(白色)连接到F口,电容线(红色)连接到G口,电容线(棕色)连接到h口,H口为公共端零线,如图6所示。
步骤4:将两条电加热线分别接到C口与H口,如图7所示。
步骤5:接电源线,将火线连接到D口,零线接到L口,如图8所示。
步骤6:将摆风电机、显示板线和传感器线分别接到对应口上如图9所示。

网友评论