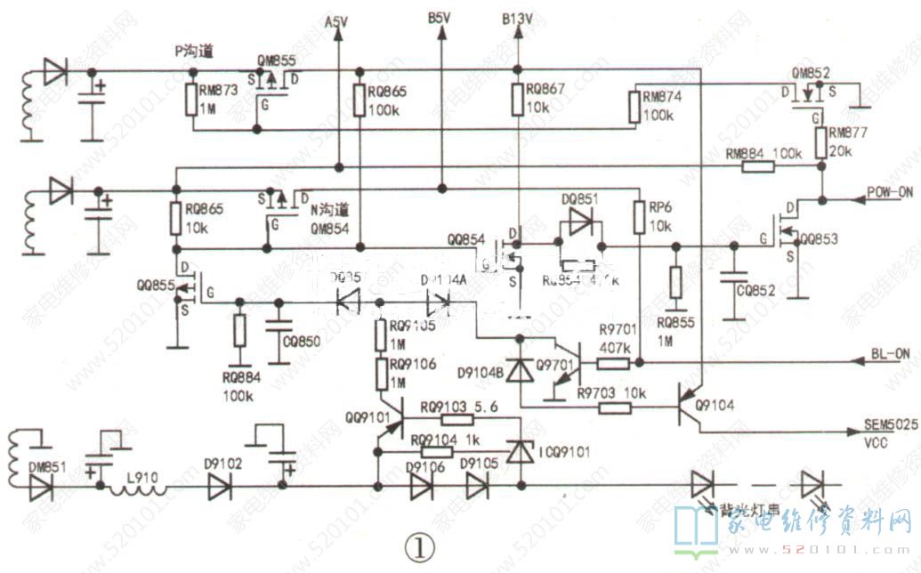
接修一台三星UA32D4000N液晶电视,故障表现为红灯闪,不开机,应该是线路板漏电造成这种故障,拿掉插座9号线,可以正常看。(下面第三根),这样处理后还是有时不开机。于是拆下QQ9101三极管和两个1M电阻,清洗再装好,线接好,试机正常,故障修复。
接修一台三星UA32D4000N液晶电视,故障表现为红灯闪,不开机,应该是线路板漏电造成这种故障,拿掉插座9号线,可以正常看。(下面第三根),这样处理后还是有时不开机。于是拆下QQ9101三极管和两个1M电阻,清洗再装好,线接好,试机正常,故障修复。
网友评论