此款高压板配置32英寸液晶屏,驱动16只CCFL灯管,该板设有CN001 、CN018,CN019三个排线接口,如图1所示。CN001与液晶彩电的开关电源及主板连接,主要有24V电源,以及CN/OFF启动控制信号和两组亮度控制信号。CN018和CN019各接8只背光灯管的低压端。
高压板的工作电压为+24V,电流约7A。驱动脉冲的振荡频率为58kHz, ON/OFF启动电压为2.4V~5V ,关闭时为OV~0.8V。输出的高压在不接灯管时为1800V,接灯管后为1040V。
目前,国内采用三星屏配KIS-320VE高压板的液晶彩电拥有量很大,且均已到维修阶段。笔者根据实物绘制了其电路原理图,如图2所示(仅画出了由IC101驱动8只灯管的相关电路,由IC502驱动8只灯管的电路与该图基本相同)。下面对其工作原理进行分析。
一、启动及逆变控制
开机后,24V电源通过CNO01①~⑤脚加到高压板上,此电压分为两路:一路直接加到功率输出模块Q109、Q110、Q209、Q210、Q309、Q310, Q409、Q410的③脚,另一端则经降压稳压后得到6V电压,加到IC101 (BD9884FV)的28脚作为其工作电源。此时,主板上的CPU送来的ON/OFF高电平启动信号送人IC101 16脚,其内部电路启动工作,内部振荡器产生100kHz的高频振荡方波,对从IC101 1脚输人的pwM亮度控制信号进行调制和放大,最后从IC101 26、27脚输出激励脉冲信号。该激励信号加到全桥架构功率输出电路模块Q109、Q110,Q209、Q210 (内含一只P沟道和N沟道MOS管)的栅极上,使其轮流导通,23、24脚输出的激励信号加到全桥架构功率输出电路模块Q309、Q310、Q409、Q410的栅极上,使其轮流导通。IC101 的26、27脚输出两路相位相反、直流分量不同的一组激励信号,27脚输出的信号经Q107、Q108组成的互补共发射极放大器倒相后,送给Q109及Q209的栅极。26脚输出的信号直接送给Q110及Q210的栅极。这样26、27脚各自输出的一组激励信号,激励了两组全桥功率放大电路。Q109、Q110组成的全桥功率放大电路对输人信号放大后,又经过电容C123加至升压变压器T101、T102的初级线圈上,即IC101的26、27脚输出的一组激励信号驱动两组全桥叻率放大电路,一组全桥功率放大电路又驱动两只高压输出变压器,点亮两只CCFL灯管。这样26、27脚输出的一组激励信号就能点亮4只CCFL灯管。同理,IC101的23、24脚输出的另一组激励信号也能点亮4只CCFL灯管,则共点亮了8只CCFL灯管。IC501通道与此通道一样点亮另外8只CCFL灯管,则用2块驱动集成电路BD9884FV就可同时点亮16只灯管。
升压变压器的次级绕组、电容及cCFL灯管组成一个低压值的串联谐振电路,当谐振频率和激励频率相同时,输出波形为正弦波。灯管点亮后,升压变压器D01、T102等的感抗和电容C的容抗对灯管起到了限流作用。
二、亮度控制
该高压板有两种亮度控制方式,一种是PWM脉冲控制,由主板CPU送来PWM亮度控制信号,经插件CNOO1的14脚加至IC101的①脚,由其内部调制电路对振荡信号进行PWM调制,以达到亮度控制的目的;另一种是直流电压控制方式,由插件CNOO1的13脚输人0V~3.3V的直流电压,经过IC101的背光灯管电流取样反馈输人端进入内部电路,和背光管的电流反馈控制电路一起控制灯 管的亮度,控制电压为0V时,背光灯管最育为3.3V时背光灯管最暗。这种控制方式的灵敏度和控制范围不如PWM控制方式好。
1.PWM脉冲亮度控制
CNOO1的14脚送来的PWM亮度控制信号经R005.R006后分为两路:一路经R106、R108送至IC101亮度控制输入端①脚,由其内部PWM调制器对振荡信号进行调制;另一路则经R506、R508送至IC501的亮度控制输人端①脚,同样由其内部调制器对振荡信号进行调制,从而实现一路亮度控制信号控制两块集成电路的目的。由CNO01④脚送来的PWM亮度控制信号的脉冲频率为180kHz,其脉冲高电平大于2.4V,低电平小于0.8V,它的占空比为100%时液晶屏最亮,为20%时液晶屏最暗。
2.直流亮度控制
直流亮度控制是通过控制BD9884FV⑨脚和12脚的IS1、IS2电流反馈直流电位的方式来达到控制亮度的目的。为了让⑨脚和12脚能进行幅度较大的亮度控制,在电路中增加了由运算放大器IC003( BA10358 )组成的放大电路,如图3所示。
由CNOO1的③脚送来的直流亮度控制信号经R003、R004、R012加到运算放大器IC003的②脚。放大后由①脚输出,又经过R015、R016送至运算放大器IC003b的⑤脚,再放大后由⑦脚输出。放大后的亮度控制电压经过R118、R119、R122、R123及R518、R519、R522、R523分别加到IC101及IC501 的⑨脚和12脚,通过PWM调制器控制亮度。IC003B的输出端⑦脚和反相输人端⑥脚连接,组成电压跟随器,其电压增益是1:1,特点是输人阻抗高,输出阻抗低,具有较强的负载能力。
三、IC1O1与ICS01的同步控制K2S- 320VF型高压板上安装有两块BD9884FV,共同完成16只cCFL背光灯管的点亮工作,因此要求两块BD9884FV工作在同步状态:接收同一个ON/OFF启动信号,以保证同时开/关;接收同一个亮度控制信号,确保各自点亮的CCFL灯管在任何亮度级别的发光亮度一-样;无论IC101或IC501出现故障而保护 关闭时,都同时进 入保护状I态;IC101和IC501的工作频率一致,以保证两个通道点亮的16只灯管亮度、效率寿命一致。IC101和IC501两通道的联动控制如图4所示。
BD9884FV的16脚是ON/OFF控制脚,IC101和IC501的16脚分别经过R131和R531连在一起,同时经过R001和R002接到ON/OFF控制信号输人端CN001 12脚。IC101和IC501的软启动控制②脚(SS)也分别经Q101和Q501连接在一一起。IC101和IC501的①脚分别经R108、R106和R508、R506连接在一起,同时经电阻 R005、R006接到PWM亮度控制信号输入端CN001的14脚。
2.保护状态信息输出和振荡频率同步控制
BD9884FV的15脚是该高压板进入保护状态的信息输出端,IC101和IC501 的15脚连接在一起,经Q103放大后从CNOO1的11脚输出送给 主板上的CPU。两块集成电路I 的振荡器定时控制脚也是频率同步的通信接口,两块集成电路的④脚分别经电阻R142和R542连接在一起,⑥脚分别经R117和7517连接在一起,以保证两块BD9884FV振荡频率一致。
四、保护电路
此高压板利用BD9884FV良好的保护控制功能,结合外围电路组成一个完整的保护控制系统,一旦高压板电路的供电电源欠压和背光灯管出现过压短路、断路欠流、过流等问题时,即可通过CNO1的①脚,将故障信息反馈给主板上的CPU,以控制整个液晶电视进人保护待机状态,避免故障扩大。
1. 24V供电欠压保护
BD9884FV的19脚是电源欠压保护检测输入端,高压板的24V供电经过电阻R128、R127分压后送至BD9884FV的19脚,如图5所示。在供电为24V时,此脚电压为2.6V,一旦该脚电压低于2.35V,则意味着24V供电出现欠压现象,高压板便停止工作,进入保护状态。
背光灯管电流取样、电流反馈及过流保护电路如图6所示。
灯管的电流取样是通过串联在背光灯管电路中的电阻来获得的。图中的R134、R135、R234、R235为灯管取样电阻。灯管电流越小,电阻两端压降越小。
以一只灯管为例,正常工作时,背光灯管电流流经电阻R134时,在R134上产生压降,经二极管D102整流后加到IC101背光灯管取样电流反馈输人端⑨脚,和其内部基准电流进行比较处理后,共同对亮度调制电路中PWM脉冲宽度进行控制,以稳定背光灯管工作电流。如果CCFL灯管出现异常,其工作电流会大幅上升,则电阻R134上的压降也随之大幅上升,则IC101的⑨脚的取样电压会大幅升高,此电压经内部比较识别后控制保护电路进人保护状态。每组背光灯管的工作电流的取样电压均汇集在一起,同时加到IC101的⑨脚,16只背光灯管分为4组,即IC101通道的8只灯管分为两组,IC101两组灯管的工作电流汇集后分别经过电阻R120、R124加到IC101⑨脚和12脚。若16只灯管中的任一只灯管出现异常,都会使IC101、IC501进人保护状态。
3.背光灯管断路保护
背光灯管断路保护电路由Q 105A、Q105B、Q205A、Q205B、130,D230及IC102a (BA10393)及相关阻容元件组成,4只背光灯管的电流取样电压分别加至三极管Q 105A , Q 105B , Q201A , Q205B的基极,使其导通,其集电极电压为低电平(小于2V),经D130,D230加到电压比较器IC102a的反相输入端②脚,而IC102a的同相输入端③脚加有经电阻R171,R172对6V分压所得的3V基准电压,这样电压比较器IC102a的反相输入电压就小于同相输入端,其输出端①脚便输出高电平。由于电压比较器为集电极开路输出方式,输出电平的大小取决于其①脚外电路提供的电压大小。在此电路中,IC102a①脚电压由3.1V电压经R129,R130分压后提供,R129,R130的阻值均为10kf,加之IC101的17、18脚的分流作用,正常工作时实测IC102a①脚电压为1.28V。
当其中某只灯管断路时,该只灯管不亮,设有电流通过,取样电阻R135上的压降为0V, Q105B的基极电压也为0V, Q105B.截止,其集电极电压则上升至6V,经D130加至电压比较器IC102a的反相输入端②脚,则IC102a的②脚电压高于③脚电压,则①脚输出低电平,IC101内部保护电路启动进入保护状态。维修时若因灯管断路而导致保护黑屏,可将IC102:的①脚断开,观察是哪只灯管不亮。
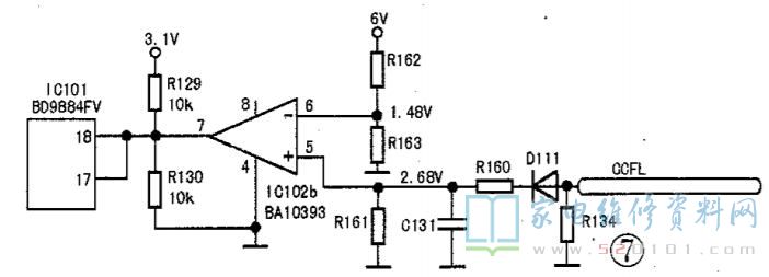
4.背光灯管欠流保护
由于某些原因导致背光灯管电流不足时,灯管会工作在不稳定状态,从而出现闪烁现象,因此没有背光灯管欠流保护电路。该电路由D111,R160,C131,R161及电压比较器IC102b (BA10393)组成,如图7所示。
正常工作时,每根灯管的正常工作电流约为7mA(最大亮度),在取样电阻R134上产生约3.9V的压降,此电压经D111整流,R160和R161分压,最后由C131滤波产生约2.68V的直流电压,加到IC102b的同相输入端⑤脚。此时,IC102b的反相输入端⑥脚被电阻R162、R163分压锁定在1.48V,IC 102b的同相输入端⑤脚电压高于反相输入端⑥脚电压,则输出端⑦脚输出高电平,直接送给IC10117脚、18脚。当灯管的工作电流大幅度减小时,取样电阻R134上的电压随之下降,IC102b的⑤脚电压也下降,当⑤脚电压低于⑥脚电压时,其⑦脚输出低电平(0V),高压板进入保护状态。
5.电压取样及过压保护

电压取样电路如图8所示。升压变压器T101的②-⑤绕组是电压取样绕组,⑤脚接地,②脚电压先由电阻R153,R154分压,再经D101整流、C127滤波后送往IC101⑩脚(电压取样输入端)。在正常情况下,IC-101⑩脚输出电压小于1V(实测为0.75V),当某高压输出电路出现故障,输出电压超过1.28V时,电路进入保护状态。
该高压板的高压输出端正面和背面的两块覆铜片形成一只电容(容量极小),并与其串联的贴片电容C580组成分压电路,如图9所示,分压点的电压就是高压输出取样电压。
此电压经D504整流、C531滤波后,再经电阻R563加到电压比较器IC502b的反相输入端⑥脚,正常工作时,IC502b的反相输入端电压为0.6V,同相输入端⑤脚电压被分压电阻R564 , R565锁定在1.48V,输出端⑦脚输出高电平。当高压过高时,IC502b的反相输入端⑥脚电压也随之上升,当超过IC502b⑤脚电压时,其输出端⑦脚电压由高电平变为低电平,则IC101的17、18脚电压也为低电平,IC101内部保护电路启动。
五、检修方法
1.正确判断特殊元件的好坏
此高压板采用的升压变压器的引脚与绕组连接如图10所示,③、④脚是升压变压器的初级绕组L1;L2为高压输出绕组,⑥脚为接地端;②-⑤脚是取样绕组L3,由此绕组获得取样电压,①脚为空脚。

升压变压器损坏多是高压绕组局部短路或断路,测量其阻值即可准确判断。正常情况下,高压板上所有变压器的高压绕组的直流电阻应非常接近,一般在士10Ω内,若相差太大,则表明该高压绕组有问题。
SP8M3内部电路如图11所示,①、②脚分别是N沟道MOs管的源极和栅极,③、④脚分别是P沟道MOS管的源极和栅极,⑤-⑧脚为两只MOS管的漏极,SP8M3在路实测电压和电阻见表1。
功率模块SPM3损坏多是击穿或断路。在路测量各电极间的正反阻值,加以对比即可判断其好坏,因高压板上每个通道有8块同型号规格的SPM3模块,不可能同时损坏,测量时可与其他模块对比或拆下单独检测。
该机背光灯管采用的是冷阴极荧光灯管(CCFL),直径为2mm-3mm,灯管内无灯丝,因此启动时无需预热,测量灯管两端的电阻值为∞。判断灯管好坏只能用通电检查法,给高压板通电,正常时,灯管两端在启动瞬间有1500V左右电压,随即降到700V-800V。若电压能按上述规律变化,则表明高压板输出电压正常,这时可判断灯管损坏。
2.接假负载检修高压板
检修时为了安全,可将高压板从电视机中取出单独进行检修,这时需给高压板加上假负载才行,具体操作方法为:取下灯管的连接线,用一只220kΩ-330 kΩ/3W-5W电阻代替一只灯管,然后加上24V工作电源,并在CN00112脚加上2.5V-5V的启动电压,即可进行检修。
六、常见故障检修
检修该高压板时,首先直观检查板上有无打火、烧焦及电容或模块炸裂现象,如无上述现象,再用放大镜仔细观察板上元件焊点有无裂纹、虚焊,特别是输出级的Q109 , Q110 , Q209 , Q210 , Q309、Q310 , Q409 , Q410及T101 -T402的引脚,最后在路检查保险丝F003及功率管是否损坏。
故障现象1:背光灯不亮(又称“不点灯”)。
分析检修:由于该高压板驱动多只灯管,高压板上有多个驱动电路和多路输出,这些电路不可能同时损坏,只要有一组正常,且PWM控制芯片有激励脉冲输出,灯管在开机瞬间都能亮一下,然后进入保护状态。检修时首先检查CN001的①-⑤脚24V电压是否正常,12脚的ON/OFF启动电压是否为高电平,13脚和14脚的亮度调整电压是否正常,若上述电压异常,应检查开关电源及主板上的相关控制电路。
如果上述电压正常,则检查高压板上的保险丝F003若已烧断,说明高压板存在短路现象,重点检查供电滤波电容、升压变压器、功率输出模块是否短路。如果保险管完好,说明高压板没有明显短路现象,故障应出在驱动芯片IC101(BD9884FV)及外围电路,可测量BD9884FV的各脚电压进行判断。
值得一提的是,在高压板正常工作时,不能用指针式万用表直接测量BD9884FV的④、⑥、⑩脚电压,因指针式万用内阻比较低,测量时由于其内阻的分流作用,会引起被测脚的电压下降,使高压板产生保护而停止工作。
接下来应重点检查BD9884FV的28脚6V供电是否正常,若异常或无6V电压,应检查三极管Q111,Rl03,R102,ZD101,Cl26、C100,C118等相关元件。如果6V电压正常,则应检查驱动芯片的④、⑥脚外接的定时电容、电阻是否有问题,若无问题,测量26、27、23、24脚有无激励脉冲输出,如果无激励脉冲输出,查BD9884FV的外围元件也无问题,可更换BD9884FV一试。
如果上述检查均无问题,则重点检查全桥驱动电路,即重点检测SPM3和升压变压器是否损坏。由于两个通道的全桥驱动及保护电路均相同,实修时可对相同测试点的对地电压和对地电阻进行对比,以快速发现故障点。测量高压时,最好用高压测试表,若无此表,可用万用表的AC 1000挡,用表笔接近测试点,但不能接触测试点,来粗略判断高压的大小。
故障现象2:灯管亮一下就灭。
分析检修:此类故障多是驱动电路或灯管损坏引起保护电路动作所致。由该高压板的高压检测电路原理得知,其保护设置比较完善,只要有一路升压变压器输出有问题或灯管损坏,保护电路就会动作。此高压板有过电压和电流检流保护电路,并且还有灯管断路保护等。电压保护和电流保护是有区别的,前者灯管点亮后约1s或时间稍长些才熄灭,而后者灯管点亮后瞬间熄灭。判断过压保护还是电流检侧保护,可通过测量关键点电压或解除保护来区分。在开机瞬间,测BD9884FV的⑩、12脚及17脚~19脚电压,如哪路电压异常则检查该路电路。若上述保护电路电压均正常,但电路仍处于保护状态,则应检查各保护支路中元件有无问题。
BD9884FV①、17、18脚正常工作时,电压均为1.28V,低于这个电压值即进入保护状态;⑩脚电压正常工作时为0.75V,大于1v则是过压保护;19脚电压正常工作时为2.6V,低于2.35V则进入电源欠压保护(注意不能用指针式万用表测量该脚电压,否则会出现保护性停机)。过流保护多是由升压变压器匝间短路引起的负载电流过大所致;电流检测保护,多是灯管损坏或接触不良引起的。
为方便实修时参考,特附上该板主要集成电路的实测数据,见表2-表5。

网友评论