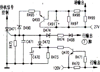
由于此故障是在换台时出现,而换台时最明显的变化就是光栅的明暗变化,怀疑是保护电路动作而执行关机保护。顺此思路首先检测附图所示保护执行元件D471(SEOR3)的控制极电压,正常时该脚电压为0V,而自动关机时该脚电压上升到0.74V,说明确实是保护电路动作而引起关机。
由于此故障是在换台时出现,而换台时最明显的变化就是光栅的明暗变化,怀疑是保护电路动作而执行关机保护。顺此思路首先检测附图所示保护执行元件D471(SEOR3)的控制极电压,正常时该脚电压为0V,而自动关机时该脚电压上升到0.74V,说明确实是保护电路动作而引起关机。
网友评论