您好,欢迎您访问家电维修资料网
登陆
免费注册
实用工具
手机版
用手机访问
首页
维修资料
彩电维修资料
彩电总线调整
维修基础
电子线路
电子制作
空调制冷
家用电器维修
音响功放
卫星有线
VCD、DVD
通讯设备
办公设备
数码摄录
计算机设备维修
软件下载
培训教材
电路图纸
长虹彩电图纸
康佳彩电图纸
TCL彩电图纸
海尔彩电图纸
创维彩电图纸
海信彩电图纸
其他彩电图纸
合资彩电图纸
LG彩电图纸
松下彩电图纸
三星彩电图纸
索尼彩电图纸
东芝彩电图纸
夏普彩电图纸
飞利浦彩电图纸
DVD功放图纸
家用电器图纸
数码相机图纸
显示器图纸
维修工具图纸
数据下载
长虹彩电数据
康佳彩电数据
TCL彩电数据
海尔彩电数据
创维彩电数据
海信彩电数据
其他彩电数据
合资彩电数据
厦华彩电数据
DVD机顶盒数据
说明书
彩电说明书
显示器说明书
家用电器说明书
遥控器说明书
影音系统说明书
视频
彩电维修
空调制冷
电脑软件
办公设备
显示器维修
电子线路
维修基础
电工技术
通讯维修
DVD维修
生活电器
仪器仪表
其他技能
电子制作
搜 索
首页
彩电维修
国产彩电维修
正文
熊猫C54P58彩电,收看节目时一切正常,但自动搜台时便自动交流关机。
2007-06-18
作者:
1216
评论
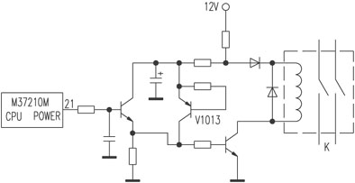
根据故障现象,首先检查开关电源电路、CPU供电及关机电路,无异常。怀疑CPU(M37210M)性能不良,把CPU关机控制端{21}脚与外电路断开试机,故障依旧。由此确定故障范围在CPU {21}脚以后的关机控制电路,见附图。反复检查附图中所示元件,均未见异常。分析附图电路原理,似乎V1013在电路中没有多大意义,于是焊下V1013试机,此时故障现象不再出现。
其他推荐
熊猫3631B伴音增大到60%左右时出现自动关机。电源
熊猫2118彩电在收看当地的有线电视信号时,只有中央七
熊猫3631A彩电开机保护。
熊猫C54S1型彩电,行不同步,伴音正常。
熊猫C54P10型彩电,伴音正常,有图像,但无彩色,图
熊猫C54P10彩电光栅呈水平一条亮线。
网友评论
发表评论
所有评论
目前还没有网友评论
提交
热门资料
1
液晶电视花屏故障实例与对照参考
2
29种彩电开关电源电路图和原理说明(图)
3
液晶电视TCON板原理讲解(图)
4
用断Y法修复三星液晶屏故障的方法
5
小米系列液晶电视刷机教程(图)
6
小米L55M5-AZ液晶电视不开机故障维修
7
液晶电视的逻辑板各关键点电压(图)
8
液晶屏常见Y轴TAB实用飞线脚位(图)
9
通用液晶主板倒屏镜像的调整方法
网友评论