• 电脑过热告警器制作

    当电脑内部的温度超过规定的预置阈值时,扬声器发出温度过高告警。温度阈值可在0℃至100℃范围内自行调节。 电脑过热告警单元可用小块PC扩展卡的形式制作,在PC主机中找一块空闲的。插槽一插即可。告警单元的消耗...

    未知   2014-05-29

  • 基于PCF8563时钟芯片的万年历制作

    万年历时钟芯片很多,笔者认为,比起DSl302来说,采用飞利浦公司的PCF8563时钟芯片,LCM1602作显示,可以取得较理想的效果。电路图如图1所示。PCF8563是低功耗的CMOS实时时钟...

    未知   2014-05-29

  • 华邦W78E516B单片机在线编程

    笔者利用W78E516B单片机的ISP功能,较好地解决了其编程问题,现总结如下。 一、芯片简介 W78E516B是具有ISP功能的Flash低功耗8位微控制器。它的指令集与标准8052完全兼容,内含64k字节的主ROM、4k字节辅助ROM...

    未知   2014-05-29

  • 自制AVR单片机ISP下载线

    概述:单片机编程器的作用是将调试好的程序烧写到单片机的存储器中。本文介绍的AVR单片机ISP下载线的成本只有10元左右,非常适合初学者自制。 AVR单片机的程序可以使用串行在线编程(ISP)方式下载写入,即可直接在电路板上进行程序的烧写和修改...

    未知   2014-05-29

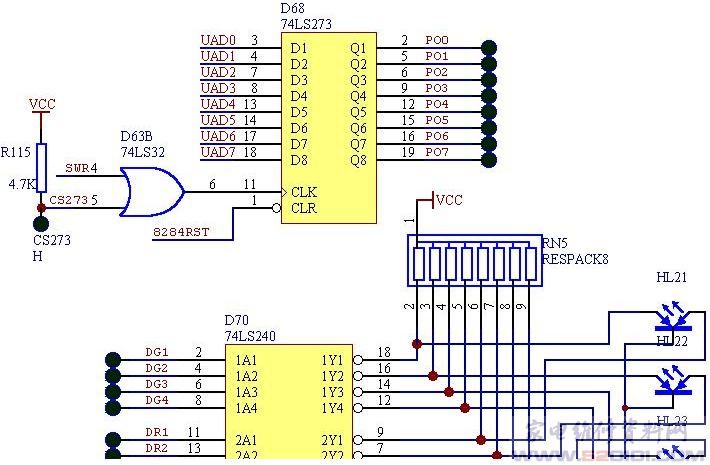
  • 51单片机简单I/O实验(交通灯控制)

    一.实验要求 以74LS273作为输出口,控制4个双色LED灯(可发红,绿,黄光),模拟交通灯管理。 二.实验目的 1.学习在单片机系统中扩展简单I/O接口的方法。 2.学习数据输出程序的设计方法。 3.学习模拟交通灯控制的方法。 4.学习双色灯的使用。 三.实验电路及连线 四.实验说明...

    未知   2014-05-29

  • 单片机6位数字钟

    51单片机作的电子钟程序在很多地方已经有了介绍,对于单片机学习者而言这个程序基本上是一道门槛,掌握了电子钟程序,基本上可以说51单片机就掌握了80%。常见的电子钟程序由显示部分,计算部分,时钟调整部分构成。 时钟的基本显示原理:时...

    未知   2014-05-29

  • 串行E2PROM 24CXX读写器制作

    近日在做一个项目的过程中,要对大量的串行E2PROMAT24C系列进行读写。起初欲设计一块简单的读写板,由单片机对E2PROM存储器写入,苦于时间紧,任务急,没有采用这种方法。于是我想到了Internet网,何不上网找一找呢?我搜索了大量的国内外有关单片...

    未知   2014-05-29

  • 采用AT89C2051的6位电子钟

     采用AT89C2051的6位电子钟原理如下图所示,只要硬件连接无误,保证成功。另外图中的SET按纽用于校准时间。按住2秒以上进入校准时间状态及换档和退出,快速点触用于调节时间数值。三极管采用9015即可。数码管最好采用红色的共阳型LED数码管,亮度高些,因为是扫描的显示方式,所以各个数码...

    未知   2014-05-28

  • 采用AT89C2051制作的智能时钟

    一、智能电子钟的功能  1、全日历计时。 2、12/24小时转换。 3、8路定时输出(可关/开控制) 4、误差:15S+1uS &nb...

    未知   2014-05-28

  • 简易串行存储器拷贝器

    一、电路图 二、工作流程 三、汇编源程序点击这里查看:main.txt...

    未知   2014-05-28

  • 自制电台写频器

    前言:其实给对讲机写频时,写频器起到的作用就是对电平的转换,通俗点讲就是把电脑发出的信息转换成对讲机能读懂的信息,就如翻译一样. 下面我们来看看两张写频器的电路图,这两个图都是用了MAX232这个电脑串口电平转换专用芯片,它有着兼容性好、稳定性好、外围电...

    未知   2014-05-28

  • 89C2051驱动步进电机的电路和源码

    电路图如下所示 程序源代码点击这里下载:源码.txt...

    未知   2014-05-28

  • 自制PC机红外线接口

    前言:红外线通讯是一种廉价、近距离、无连线、低功耗和保密性较强的通讯方案,在PC机中主要应用在无线数据传输方面,但目前已经逐渐开始在无线网络接入和近距离遥控家电方面得到应用。   鉴于红外线通讯的诸多好处,现在的主板几乎全部提供了红外线接口,以便用户利用...

    未知   2014-05-28

  • 93C46串行E2ROOM拷贝器

    其实原来这个电路是用来做一个多频率的方波发生器的,但是实验以后效果不好,就闲置了,由于需要一个拷贝E2ROOM的东西,所以就把这个电路修改了一下变成这样。 关于单片机的电路就不再详细介绍了,因为基本的连接电路都是一样的。 使用注意事项:母版的94C46必须放在IC1的位置,不可以放在IC2...

    未知   2014-05-28

  • 实用单片机实验板

    一、元件清单 AT98S52芯片 1个 7447(译码器) 1个 128*64LCD液晶显示器 1个 74LS738 1个 74LS245(驱动芯片) 1个 8*8点阵 1个 共阳数码管 6个 ...

    未知   2014-05-28

  • 采用实时时钟芯片DS1302+AT89C2051的红外遥控LED电子

    自制LED电子钟在很多电子报刊杂志上都可以见到,但大多数在断电后都要重新设置时间等参数,给使用带来很多不便。也有用后备电池作为备用电源的,但往往体积较大。本文介绍的LED电子钟克服了以往的弊端,而且采用了家电通用的红外遥控器进行控制,方便使用。有一路闹铃输出,可以通过遥控器设置闹铃时间及允...

    未知   2014-05-25

  • 简单的RS232C/TTL电平转换和串口取电

    在许多单片机的应用中都会使用到串行口与电脑的串行口相连接,进行数据的传输或控制命令的发送与接收。单片机的串口有很大一部分是使用TTL电平标准的(PIC的可以直接连接在电脑串口),它的逻辑1电平是5V,逻辑0电平是0V,而电脑串行口所使用的是RS232C...

    未知   2014-05-25

  • 绕线机电子计数器电路

    具有加减功能的绕线机电子计数器电路图 CD40106六反相器(有施密特触发器);双列14脚封装;工作电压范围:-0.5V~+18V CD4013 双D触发器,双列14脚封装;工作电压范围:-0.5~+18V CD40110十进制加减计数/译码/锁存/驱动器;双列16...

    未知   2014-05-25

  • 巧制小功率直流固体继电器

    这款直流固体继电器不但成本低,而且灵敏度极高,一装即成。  工作原理:如图所示,IC为光电耦合器,R1为输入端限流电阻,VT1、VT2组成复合管的输出控制器件,VD1、VT2分别为输入端、输出端的保护二极管。当固体继电器输入端(IN)加上直流电压时,其输出端(OUT)的“正”端...

    丁德勤   2014-05-25

  • 新颖的供水压力自动控制装置

    下图所示是压力自动控制的工作原理图。一、工作原理:   由IC-1组成的压力控制电路,可通过电接点压力表MP检测到的压力信号经IC1放大后驱动继电器J2及水泵的启动运行。   1压力表MP的(上)端为上限校正针、2(中)端为压力表气压针、3(下)端为下限校正针。我们知道,压力罐...

    盛南岭 韩文超   2014-05-25