您好,欢迎您访问家电维修资料网
登陆
免费注册
实用工具
手机版
用手机访问
首页
维修资料
彩电维修资料
彩电总线调整
维修基础
电子线路
电子制作
空调制冷
家用电器维修
音响功放
卫星有线
VCD、DVD
通讯设备
办公设备
数码摄录
计算机设备维修
软件下载
培训教材
电路图纸
长虹彩电图纸
康佳彩电图纸
TCL彩电图纸
海尔彩电图纸
创维彩电图纸
海信彩电图纸
其他彩电图纸
合资彩电图纸
LG彩电图纸
松下彩电图纸
三星彩电图纸
索尼彩电图纸
东芝彩电图纸
夏普彩电图纸
飞利浦彩电图纸
DVD功放图纸
家用电器图纸
数码相机图纸
显示器图纸
维修工具图纸
数据下载
长虹彩电数据
康佳彩电数据
TCL彩电数据
海尔彩电数据
创维彩电数据
海信彩电数据
其他彩电数据
合资彩电数据
厦华彩电数据
DVD机顶盒数据
说明书
彩电说明书
显示器说明书
家用电器说明书
遥控器说明书
影音系统说明书
视频
彩电维修
空调制冷
电脑软件
办公设备
显示器维修
电子线路
维修基础
电工技术
通讯维修
DVD维修
生活电器
仪器仪表
其他技能
电子制作
搜 索
首页
电子制作
正文
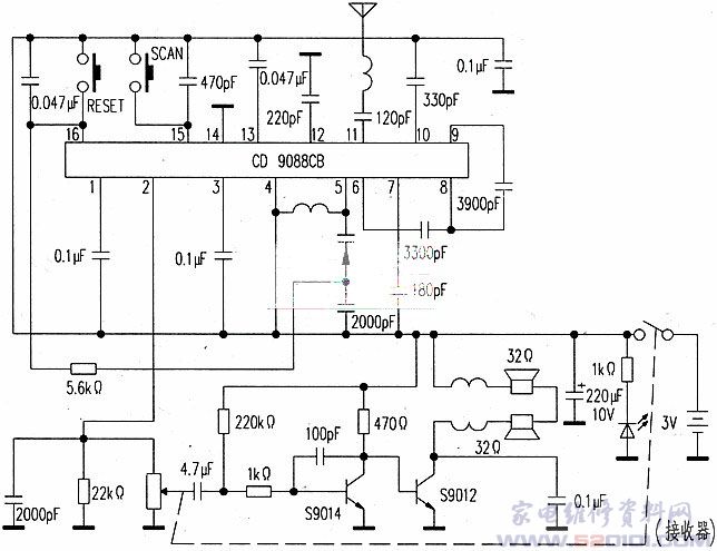
FM无线耳机电路原理图
2014-03-18
作者:方未测绘
5576
评论
发射器电路原理图
接收器电路原理图
其他推荐
带有音频放大器的矿石收音机
视频(AV)转射频(RF)转换器制作
利用LM386制作调幅收音机
新手必备:30个“无电源收音机”电路
利用TA7792中波收音机电路
用TDA7000单片调频收音机电路
网友评论
发表评论
所有评论
目前还没有网友评论
提交
热门资料
1
自制最简单的电鱼机
2
自制简易可调直流稳压电源(电路图)
3
简易电焊机的制作方法(附图纸)
4
一款电击灭蚊灯电路与制作(图)
5
6种触摸开关电路原理图
6
两种可充电LED手电筒电路原理与维修
7
制作最简单延时电路(附图)
8
单硅后级电鱼机制作方法(图)
9
用微波炉变压器DIY点焊机(电路图)
网友评论