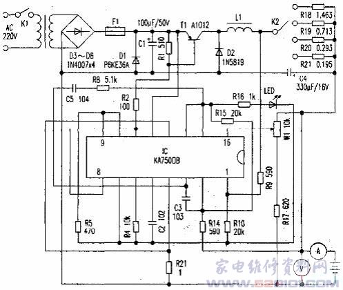
电路如附图所示:此锂电池充电板原用于汽车电源给手机7.2V锂电池充电,其充电过程是先恒流充电,再恒压缓充,最后恒压浮充。根据其原理,再增加电源变压器、整流滤波电路、电阻R17~R21、W1、电压表、电流表等元件,使之成为一款输出电压在DC2V~DC15V,输出电流在100mA、200mA、500mA、1.5A四挡可变的充电器。
此充电器整流滤波后的输出电压可在DCl8V~DC36V之间选择。输出电压由W1调节,可以在DC2V~DCl5V范围内变化。如果输出电压要超过15V,需增加C4的耐压值。

输出电流由K2选择控制,如果要输出电流大于1.5A,需增加T1的散热片面积,并将L1的线径加粗。其改制的难点是制作电阻:R18、R19、R20、R21。笔者通过查询得知φ0.13mm漆包线的阻值是1322Ω/km;φ0.21mm的漆包线阻值是506Ω/km,再经计算得出以上电阻所需漆包线长度后,绕制在圆柱形绝缘体上,并在调试中根据输出电流大小修剪漆包线的长度。
经以上改制,此充电器不但可以为各种规格电池恒压恒流充电,还能作为直流电源使用。
网友评论