常见的几种充电模式为:
1. 限流恒压充电模式,其充电曲线和转换电压如图1所示。

2. 两阶段恒流充电模式,其充电曲线和转换电压如图2所示。
3. 恒流脉冲充电模式,其充电曲线和转换电压如图3所示。
此三种充电模式均为业界推荐采用,其各阶段充电电流间的转换,都分别受有温度补偿的转换电压Vmin(快充最低允许电压)、Vbik(快充终止电压)和Vflt(浮充电压)控制。国外已开发出多款具有上述功能的专用充电集成电路,如UC3906,bq2031等。
二、DB3616C电动自行车充电器的制作实例

目前国内市场上的电动自行车大多采用36V或24V密封铅酸蓄电池组,为了降低成本,与其相配套的充电器大多采用简化的恒流恒压模式,充电曲线见图4。此方案与图1相比,由于省却了补足充电阶段(即Vlk高电压恒压过充电阶段),故电池的容量只能恢复到额定容量的80%~90%,同时,其充电转换电压也没有温度补偿。在冬夏两季易出现充电不足或过充电现象。再者,由于串联电池组中各个电池的自放电率亦不尽相同,如果采用恒定的浮充电压,那么将影响单体电池的充电状态。
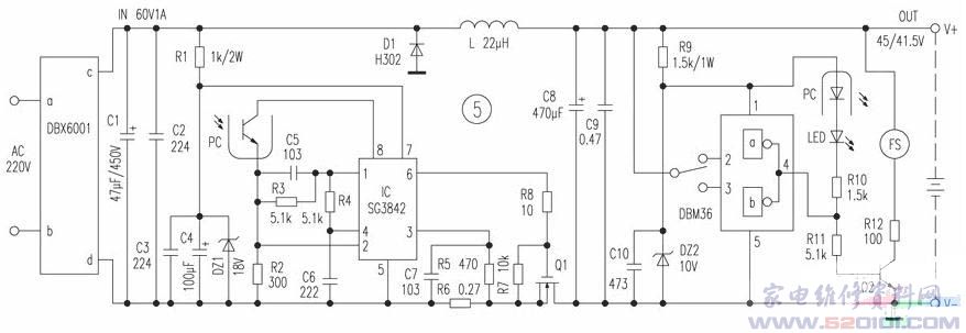
本充电机实例采用图3充电模式,原理图见图5。本机选用AC/DC谐振式高效变换器组件DBX6001,作为前级隔离降压。此组件效率高达92%以上。组件输出的60V直流电,由c、d端进入后级充电电路。后级功率元件采用低导通压降器件,考虑到便携性,本机采用小型化设计,内置自动小型风扇,整机体积为75mm×130mm×50mm。IC和Q1、L、D1等组成快速恒流充电系统。IC采用SG3842,R1、DZ1、C3、C4为IC的供电电路,R4、C6决定IC的振荡频率,C5、R3为补偿元件。刚开始充电时,电池电压较低,PC不导通(原理后述)。IC①脚被R3、R4拉到地电位,⑥脚输出约100kHz脉冲,通过R8加到Q1栅极,控制Q1通断。Q1导通期间,DBX6001③脚输出的充电电流,经储能电感L、外接电池E、Q1、R6到④脚。在给电池充电的同时,电感L也存储着能量,充电电流呈线性增大,并在R6上产生检测压降,经R5、C7传递到IC③脚。当③脚上的电压达到1.1V时,⑥脚关闭脉冲,Q1截止。此时电感L中的磁场能释放,所产生的电流继续向电池供电。D1为L提供续流通道。平均充电电流的大小由R6决定。电池充满后,PC导通,⑧脚输出的5V电压经PC加到R2上,①脚的电位高于2.5V时,⑥脚关闭输出,充电器停止充电。
DBM36为36V铅酸电池组专用充电检测与控制模块,内部有两种充电模式。
DBM36的工作原理是:
当电池电压接入DBM36②端时,工作于恒流脉冲充电模式,即②脚电位小于45V时,④脚输出高电位,光耦PC不导通,IC组成的充电电路开始工作,同时Q2导通,风扇FS得电工作。当电池电压逐渐升高,②脚电位达到45V时,触发器a翻转,④脚输出低电平,光耦PC初级流过电流,次级导通,IC①脚高于2.5V,⑥脚停止输出脉冲,Q2截止,充电器停止充电。同时风扇停转。随后电池电压逐渐下降,当电压下降到41.5V时,触发器a复位,④脚输出高电平,光耦PC截止,解除对IC的封锁,充电器重新输出电流。周而复始,充电的时间越来越短,电池电压由45V下降到41.5V的自放电时间越来越长,电量逐步恢复到100%。此种状态由充电指示灯LED充电时灭、停充时亮表现出来,而风扇的工作状态刚好与LED相反:充电时转动,停充时停转。R9、C10、DZ2组成DBM36的供电电路。
当电池电压接入③端时,DBM36工作于恒流恒压充电模式,开始时,充电器输出1.6A恒流连续对电池充电,当电池电压上升到45V时,DBM36③脚检测基准电压由45V自动切换到41.5V并保持不变,通过光耦PC的反馈,充电器则由恒流充电转换为恒压浮充充电状态。应当注意,如充电电流过大,使电池的温度显著增加,那么自放电电流可能会超过充电电流,温度的继续升高,使Vblk不断下降,将出现严重的过充电反应,影响电池的寿命。
另外,当工作于恒流恒压充电方式时,充电器应先接入电池,然后再接入220V市电。否则,充电器输出的45V电压会使DBM36误判,而直接切换到41.5恒压浮充状态,造成电池充电不足。用于对24V蓄电池组的充电测控,需用DBM24模块。
网友评论