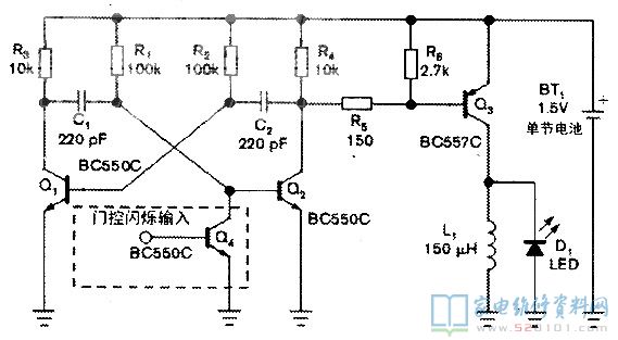
用一节1.5V电池点亮LED存在着一个问题,因为LED的正向电压高于电池的电压。最简单的改进办法是采用一种步进升压DC/DC转换器。本设计实例为低成本应用提供了一种简单而可靠的替代方法。附图中的电路采用了一种经典的非稳态振荡器,由晶体管Q1和Q2组成。Q2集电极的方波驱动信号使PNP开关晶体管Q3导通或截止。当Q3导通时,它为电感L1充电,而当它关闭时.电感L1通过LED反向释放存储的能量而升压.因此能够点亮任何类型的彩色LED。
           当电池电压为1.5V时.非稳态电路的振荡频率为1/T0.其中:T0=TL+TH,而TL≈0.76R2C2和TH≈0.76R1C1,其中T0是周期时间,TL是导通时间.而TH是截止时间。采用附图中的元件值时,频率与占空比大约分别是28.5kHz和50%。在导通期间.晶体管Q3导通.而电感L1开始以恒定电压充电,因此其电流线性地上升至一个峰值。该值如下式所示:IL1PEAK=[(VBAT-VCESATQ3)/L1]*TL,其中IL1PEAK是L1的峰值电流,VBAT是电池电压,而VCESATQ3是Q3的集电极-射极饱和电压。在截止期间.Q3截止.而电感电压极性反转.使LED正偏,电感以较高的峰值电压通过LED放电.电压大致等于LED的正向电压。

          由于这个循环高速重复.因此LED看起来是稳定发光。LED的亮度取决于自己的平均电流.它与峰值电流成正比。LED的电流大致是一个三角波,由于Q3的截止时间有限,其峰值电流约等于电感的电流.可以简单估算出平均电流:ILEDAVG≈0.5*IL1PEAK*(TDIS/T0),其中TDIS是电感L1通过LED的放电时间,这个值可以从L1的放电斜率大致估计出来.为VLED/L1,VLED是LED的电压。


          如要控制LED的亮度.可以改变电感的值来增加或减小电感的峰值电流,电感修改范围为100μH至330μH,这样可针对所采用的LED型号实现最佳亮度。但是,L1的充电斜率总是小于放电斜率,并且由于TL等于TH.L1有足够的时间完全放电。当它下一个循环充电时,其电流循环总是从零开始。如果不是这种情况(例如TH降得过大).每个循环的电感电流都会增加到Q3脱离饱和时为止。由于最终电流值依赖于Q3的直流增益,因此变得无法预测。可用一个低频门控信号驱动可选晶体管Q4的基极,即可使LED闪烁。
          在电路元件选择时.元件参数无特殊限制,其中的晶体管,使用任何小信号晶体管。但可能情况下,尽量为Q3选择一个有高直流增益和低集射饱和电压的PNP晶体管,以获得最佳效率。另外,注意峰值电流不要使L1饱和,并且不会超过Q3和LED的最大额定峰值电流。非稳态电路可在低至0.6V电源下开始工作.但LED不发光.当电源电压超过0.9V时发弱光。当电源电压超过1V时.LED有充足的亮度,不过这要取决于LED的正向电压。如果不需附图电路中的LED闪烁,可不用Q4管。