温湿度传感器AM2301(DHT21)是一种能够同时测量环境温度和相对湿度的传感器,单总线输出,使用三条引线连接,输出数字已经校准,使用方便,因此应用很广。笔者用AM3201制作了多台温湿度计和能够同时显示温湿度的数字钟,这些产品在使用一段时间后,有两台湿度显示变为“99.9" ,如果断电一段时间后再通电,湿度显示正常,再过一段时间又显示99.9”。

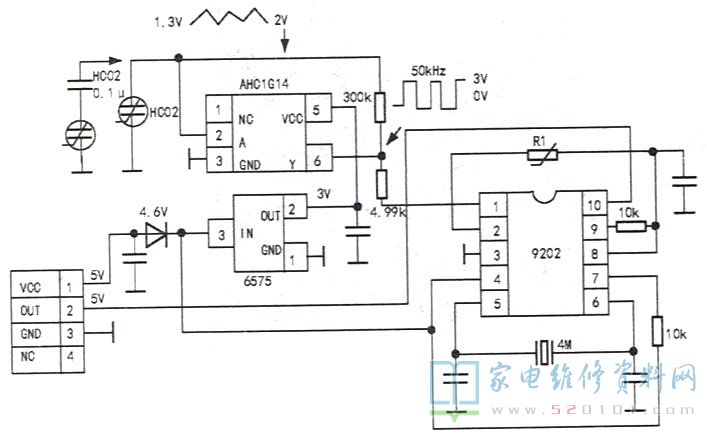
       拆开AM3201的外壳,实绘其电路如图1所示。

       图中集成电路6575为3V稳压器,为电路提供稳定的电源。9202 是一个小型微处理器,AHC1G14为单个反相施密特触发器。Rt 为热敏电阻,用来测量温度,CGQ(型号HC02)为湿敏电容,用于测量湿度。HC02是一个容量随相对湿度变化的电容,若相对湿度从0%变到100%,其容量由102pF变到132pF。AHC1G14、HCO2和300k电阻组成一个多谐振荡器。AHC1G14有正向阈值电压(电源电压3V时正向阈值电压大约为2V)和反向阈值电压(1.3V) 两个重要参数。当AHCIG14的输出端④脚(γ)输出高电平3V时,该电压通过300k电阻给HC02充电,AHCIG14的输入端②脚(A)电压开始升高,当该电压达到正向阈值电压2V时,AHC1G14发生一次翻转,其④脚变为输出低电平0V。该低电平通过300k电阻为HCO2放电,当AHC1G14的②脚电压降到反向阈值电压1.3V时,AHC1G14再次翻转,其④脚输出高电平,这样就完成了一个振荡周期。实际测量该多谐振荡器的频率约为50kHz。当相对湿度增高时,HCO2电容量增加,振荡频率降低。微处理器通过测量这一频率计算出相对湿度。湿度显示“99.9" ,说明振荡器振荡频率极低,实际测量已停振。

       根据上述原理分析,振荡电阻数值很大为300k,只要HC02轻微漏电,就可能造成振荡器停振。基于这种推断,在HC02上串联一只0.1pF瓷片电容进行实验,湿度显示正常,长时间使用再没有出现问题。HC02的电容量只有100多皮法,串联一只0.1pF瓷片电容,总容量基本没有变化,因此相对湿度的测量也基本正确。