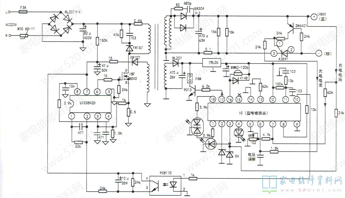
接修一台奧斯48V电动充电器(力萌电源制造)在充电过程中烧坏,不能使用。直观检查,3A保险管完好,但电源芯片UTC3842D顶部有裂纹。经查开关管IBFBC40已击穿,0.5Ω/3W、0.56Ω/3W和15Ω电阻已断路。其中,0.5Ω电阻是开关管源极(S极)电流采样电阻,如图1所示;0.56Ω串接于开关变压器初级绕组回路,起限流保险作用,一般充电器均无此电阻;15Ω是电源管栅极驱动限流电阻。
更换上述损坏元件后,测得充电器次级输出端不存在短路现象。试通电,监测充电器输出端电压为0V。接着测电源芯片UTC3842D的电源端⑦脚电压在11V左右波动,该脚正常电压应为16V~17V。断电后,检测150kΩ启动电阻正常,正反馈供电支路二极管、限流电阻、绕组均正常,代换⑦脚外接47uF/50V电解电容无效。焊下光耦PC817C测量③、④脚漏电且不稳定,换新试机,输出端+54V电压稳定,UTC3842D的⑦脚电压为+17.5V。
维修小结:该型充电器光耦反馈回路与一般充电器有所不同。光耦PC817的④脚供电直接取自UTC3842D的⑦脚电源。因此,光耦③、④脚漏电时,会导致UTC3842D的⑦脚供电低且不稳定,芯片内部电路无法正常起振工作,充电器无电压输出。

网友评论