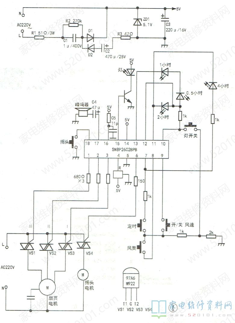
熊猫牌FS-40落地风扇的实绘电路如图1所示。元件位号系笔者自编。220V市电经C1、D1、D2、C2、R3、ZD1的降压、整流、稳压后,在C3上产生5V直流电压,供给u1(SN8P2602BPB)。u1①脚输出高速控制信号,②脚输出中速控制信号,③脚输出低速控制信号,④脚输入遥控信号,⑦~13脚接控制微动开关和定时时间指示灯,16脚为风扇灯控制脚,17脚输出蜂鸣信号,18脚接摇头控制微动开关。

      例1:按摇头键,蜂鸣器响一声,但不摇头。分析检修:上电测U1的⑥脚电压为0V,正常;测摇头电机两端电压为AC230V,正常,这说明故障在摇头电机中。测摇头电机两条引线间的阻值约为8k,怀疑摇头电机内部塑料齿轮损坏,换上一只形状完全相同的3W永磁同步电机后,故障排除。

      例2:通电后蜂鸣器响一声,整机进入待机状态;按面板上的开/关风速键,蜂鸣器不响,风扇不转。分析检修:上电测量5V电压正常。在按开/关风速键时,监测U1⑨脚电压,无变化,怀疑该微动开关不良。换新后试机,故障排除。

      例3:通电后蜂鸣器不响,灯不亮。分析检修:上电测5V电压很低。检查5V形成电路,发现降压电容C1已裂开。由于没有1pF/400V无极性电容,于是用两只0.47uF/400V无极电容并联后代替C1,测量5V电压恢复正常,故障排除。

      例4:拨到高速 3挡,风扇不转,其他两挡正常。分析检修:在高速3挡时,测电机线圈上无220V交流电。取下双向可控硅VS1检查,正常。焊上VS1,测VS1的栅极(G)电压为5V,正常时应为0V。测U1的①脚电压始终为5V,判断U1损坏。更换U1后试机,故障排除。