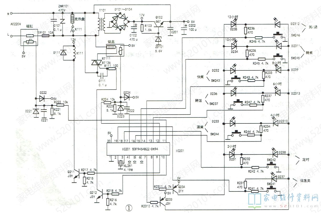
美的MB-FD50H型智能电饭煲由锅盖、磁缸、电源板、控制面板和发热盘组成,其实绘电路如图1所示。电源板输出的17V电压供给继电器,输出的5V电压供给控制面板、锅盖内的热敏电阻及磁缸内的热敏电阻。注意:该机5V与市电N线(零线)直通,这样控制电路才能控制双向可控硅RT111,即控制锅盖是否加热。因此,检修时一定要注意安全!锅盖中有两个元件,用金属纸粘封在锅盖上面,如图2所示。一个元件是加热丝,阻值约为1.5k,加热功率约30W ,其作用一是立体加热,使煮出米饭松软可口,二是将锅盖上的水滴蒸发掉。另一只元件是热敏电阻,作用是检测锅盖温度。
这里所说的磁缸,是沿袭了普通电饭煲的传统叫法,实际与传统磁缸完全不同。该磁缸镶嵌在发热盘中间,如图3所示,里面装有两个元件:一个是165°C的温度保险,当发热盘供电失控,锅底温度达到165°C时,该保险熔断,切断220V电源,以防发生火灾;另一个元件是热敏电阻,用来检测锅底温度。通电后,交流220V电压通过磁缸内的温度保险丝、保险管TP101后加在变压器T101的初级两端,T101次级产生约15V的交流电压,经D101~D104和C102整流滤波产生约17V直流电压,一路供给继电器K11,另-路供给由Q102、ZD101等元件组成的串联稳压电路,Q102的发射极输出5V直流电压。
5V电压滤波电容C202、C201在控制面板上。5V电压加到单片机IC201 (S3F9454BZZ-DK94)20脚,则IC内部振荡电路开始工作,在②脚上产生周期为0.24ps、幅度约为2.2Vp-p的波形(如图4所示),在③脚上产生周期为0.24us、幅度约为3.5Vp-p的波形(如图5所示)。当IC201 11、12脚外接热敏电阻检测完成后,“精煮"灯D2311闪烁,整机进入待机状态,此时IC201⑤脚电压在2.5V~5V之间波动,⑦脚输出2.5V电压,Q233 b极电压为4.6V,c极电压在2.5V~2.7V之间波动13、14、16~19脚电压均为5V。如果在待机状态时按一下“精煮 ”键sW245,则“精煮”灯D2311变为长亮,进入“精煮"状态。此时15脚输出2.5V电平,随后⑨脚输出5V高电平,Q211饱和导通,继电器K111得电闭合,发热盘工作,开始煮饭。当饭煮好后,IC201⑨脚输出0V低电平,发热盘停止加热。此时,19脚输出低电平,保温灯D237亮,整机进入保温状态。

假如想要10小时后开始精煮,那么在待机状态按几次“定时”键SW242,使10小时指示灯D234亮,然后按“精煮'键SW245,这样定时灯D238、10小时灯D234、精煮灯D2311三个灯都亮。此时IC201⑤脚电压为0V ,及脚电压为2.5V。
除19脚控制一只灯外,13~18脚每脚均控制两只灯,当一只灯点亮时,对应脚电压为2.5V;当两只灯都亮时,对应脚电压为0V。
当锅盖需要加热时,IC201 10脚输出高电平,Q212饱和导通,则双向可控硅RT111 (型号BT136)的栅极(G)电压为0V,RT111导通,使锅盖里的发热丝得电发热。
例1:通电后无任何反应,更换电源线后故障仍旧。分析检修:测5V端子电压为OV,17V端子电压为0V,T101次级交流电压为0V。T101 初级无220V交流电压。经查,磁缸内温度保险已开路。由于手头没有165C的温度保险,于是换上一只185°C、10A的温度保险,并将该元件的遥接头拧紧,以防接触不良。通电试机,故障排除。
例2:通电后所有的指示灯都闪烁,各个按键都失灵,无法煮饭。
分析检修:这种故障一般是IC201没有得到某个温度检测信号所致。该机的温度检测电路有两路:一路是锅底温度检测电路,5V电压经磁缸内的热敏电阻(30°C时阻值约为35k )到控制板,经R221分压,二极管D222、D221限幅,最后通过R222送到IC201的①脚;另一路是锅盖温度检测电路5V电压经锅盖上面的热敏电阻(30C时阻值约为36k)到控制板,经R223分压,由二极管D223、D224限幅,最后通过R224送到IC201的②脚。实测IC201 11脚电压约为0.6V(正常),但12脚电压却为0V。经查,锅盖内的温度检测线断了一根。由于断点位于锅盖的转轴处,为防止故障复发,因此将接头选在远离转轴处,并在接头处套上热缩管,如图6所示。通电试机,故障排除。
例3:故障现象同例1。
分析检修:测T101次级的交流电压为0V,但初级有230V交流电压,说明T101初级绕组烧断。换新后试机,故障排除。
例4:故障现象同例1。
分析检修:测5V端子电压为0V,Q102的c极电压为18V,b极为5.6V,说明Q102 b-e结开路,换上一只D400型三极管后通电试机,一切正常。
例5:故障现象同例2。分析检修:先检查两根温度检测线,均正常。测IC201 11脚电压约为0.6V(正常),但12脚电压为0V。拆开上盖检查发现热敏电阻的一 只引脚已断。更换热敏电阻后试机,故障排除。
例6:发热盘不加热,听不到继电器响声。
分析检修:按“精煮"键,“精煮”灯长亮,测电源板上继电器线圈两脚电压均为17V,说明Q211没有导通。测IC201⑨脚电压始终为0V,但IC201的20脚5V供电正常,②、③脚波形也正常,说明IC201损坏,换新后故障排除。另外,Q211是贴片三极管,也易损坏。
网友评论