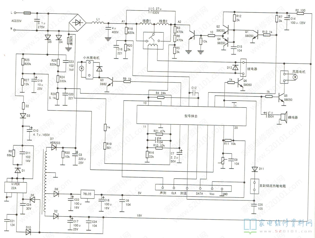
接修一台麦茶DM-11MC电磁茶炉,放上茶壶按“开机”键后不开机,并屏显E7代码,且发出报警声。查询资料,得知E7代码表示主温度传感器超温或有故障。先用吹风机加热主副线盘上的炉面温度传感器并测量阻值,其阻值能随温度变化而正常变化,接下来检查IGBT管温度传感器也正常,看来故障元件不是温度传感器。该机主板实绘电路如图1所示。
对0.27uF/630V谐振电容和4uF/400V滤波电容进行检测,正常。转向检查同步电路,发现电阻R18有烧黑痕迹。拆下R18检测,已开路。R18、R20和R3、R6、R5是同步电压的检测电阻,所取信号分别输入主控芯片⑥脚和⑤脚,主控芯片根据这两脚电压极性的变化,输出准确同步的PWM驱动信号,确保IGBT管在c极电压最低时才导通。R18开路后,主控芯片⑥脚无同步电压输入,则主控芯片未发现开机指令,并显示E7代码。更换R18后试机,故障排除。

网友评论