波轮式全自动洗衣机的排水系统由排水阀(排水电磁阀的简称)和排水驱动电路组成,一般是CPU(微处理器)根据洗涤模式设置和程序运行情况发出开启(排水)或关闭指令。排水阀是波轮式全自动洗衣机的最重要部件之一,它是一个多功能部件,其动作不仅牵拉控制排水,还控制着刹车带的放松和收紧、棘爪的升起和降落(即棘爪和棘轮的分离或啮合),工作时受力大负担重。 由于它是双线圈电磁阀,通过机械触点进行启动线圈和维持线圈的切换,因此触点的氧化、电蚀、烧灼在所难免,损坏的几率很大。
本文通过对排水阀及其驱动电路原理的简单分析,重点介绍排水故障检修方法。
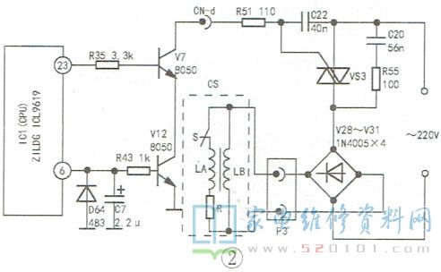
排水阀的结构原理及工作过程:排水阀结构如图1所示,典型的排水阀驱动控制电路如图2(以友谊XQB36-3型洗衣机为例)所示。
在洗涤时,CPU 23脚输出低电平,V7反偏截止,双向可控硅VS3关断,桥式整流器V28~V31无输入电压,排水阀无电,此时排水阀衔铁在弹簧作用下被向上推出,排水阀芯被衔铁牵拉关闭(不排水)、棘爪在导向柱推动下降落与棘轮啮合、刹车带勒紧甩干脱水桶;当洗涤至有放水或脱水程序时段时, CPU的23脚输出高电平排水指令,V7正偏导通,其发射极经导通的V12 (由门盖开关控制)接地,通过CN-d (连接七芯排线的d线).R51.C22触发VS3导通,V28~V31得电,在插件P3两端获直流200V左右电压为排水阀CS供电。由于刚加电时常闭开关S触点是闭合的,所以200V直流电压经S常闭触点、过流保护电阻R(特制的0.6Ω/2A电阻)加到启动线圈LA (线经中0.3mm、直流电阻110Ω)上,约有1.6A电流通过,瞬间(约0.3s)产生非常大的磁力克服弹簧弹力,吸动衔铁向下运动,此时工作(维持)线圈LB也加有200V电压并通过0.06A电流。在衔铁被吸入底部时,衔铁压片随之下行,利用开关推杆顶开开关S常闭触点,LA失电,只有LB ( 线经φ0.1mm,直流电阻约3.1k)仍通有0.06A电流,维持衔铁处于吸合状态。与此同时,衔铁压片通过导向柱使棘爪与棘轮分开,使电动机处于高速旋转状态,以便进行甩干脱水,刹车带也松开与刹车鼓联动的脱水桶。排水程序结束后,CPU的23脚输出低电平关闭排水阀指令,V7、VS3相继截止,排水阀CS失电,在弹簧弹力作用下释放,返回到初始洗涤状态。
例1:不排水,与排水相关的下一步工作程序无法继续执行,洗衣机处于停止工作状态。
分析检修:根据排水驱动电路原理及排水阀结构特点分析,故障主要原因有:启动或工作线圈断路、切换触点接触不良、排水驱动电路工作异常排水系统脏堵等,这些原因各自引起的故障现象是有区别的,不同故障现象的对应故障原因判别与检修方法如下:
(1)排水驱动电路工作异常。判断方法是:拔下P3插头,测其两端头间有无整流器输出的约200V直流电压,若有电压说明驱动控制电路工作正常;若无电压或电压异常,则为驱动控制电路有故障。在放水或脱水程序时段CPU 23脚和⑥脚应为高电平(大于4.5V)输出,否则为CPU芯片(ZILDG ICL9619)内部电路损坏或程序紊乱,应更换。如23脚有高电平输出,可测V28~V31交流输入电压,正常时约AC220V,如无电压说明电路存在开路性故障,可能是R35、V7、CN-d、R51、C22、VS3开路损坏;如电压偏低或波动不稳,多为V7、VS3性能变劣,CN-d接触电阻大,C20击穿漏电引起的。如V28~V31输入交流电压正常,则为整流管V28~V31损坏,插件P3接触不良或引线断脱。若V28~V31中有开路或失效的二极管,有时还能听到轻微的“嗒”、“嗒”声。
(2)排水阀电磁线圈、转换开关及保护电阻不良。在排水系统故障中,由于排水阀含有同向并绕的启动线圈LA(在线圈骨架内层)和维持工作线圈LB(在同一骨架外层)、较大电流(1.6A)切换触点S、过流保护电阻R、活动衔铁及其联动机构,因此排水阀的故障率及损坏率也最高。以MQZX-40N(吸力40牛顿)型排水电磁阀为例,其启动线圈LA电阻为110Ω,工作线圈LB电阻为3.1k,保护电阻R为0.6Ω(可忽略不计),切换开关在衔铁释放状态为0Ω(常闭),吸合状态为无穷大(断路)。拔下P3插头后用万用表RX10挡测排水阀两接线断,正常阻值为:释放状态约106Ω;用手压下衔铁(模拟吸合状态)约为3.1k。若阻值与正常值不同,说明排水阀有故障,阻值不同反映出不同部件发生的不同故障(短路漏电或开路失效),如表1所示,故障的具体处理方法如下:
1)过流保护电阻R烧断。判断方法是:无论衔铁释放或被压下,排水阀CS两端电阻均为3.1k。如无0.6Ω/2A成品过流保护电阻代换,可用2A保险丝串一只0.33Ω~2Ω电阻应急代换,或直接用2A保险丝代替。

2)开关S触点不良有两种可能,区分和判断方法是:一是在释放状态,拔下P3插头后测得的排水阀CS两接线端电阻大于106Ω(106Ω-3.1k之间)为开关S触点氧化、锈蚀.电灼、积垢等造成接触电阻变大,若为3.1k,在LA和保险电阻正常时,就是开关触点烧断接触不上;二是在吸合(压下街铁)状态,若阻值为106Ω (正常值应为3.1k),为开关触点击穿(0Ω),如为106Ω~3.1k之间,则为开关触点漏电导致断开,电阻变小(正常为无穷大),这时可能造成保险电阻R烧断或启动线圈烧损。无论是发生,上述哪种故障,都要拆下排水阀固定螺丝,拿开塑料盖,用小刀或细砂纸将开关触点刮磨平(若触点已粘焊在一起,应先撬开触点),再用清洗剂清除污物,直到释放状态电阻为106Ω,压下时为3.1k,开关即告修复。否则应更换排水阀。
3)启动线圈LA断路或局部短路。在衔铁释放状态,测得排水阀CS两接线端电阻为3.1k(拔下P3),如开关S和保护电阻R正常,则为启动线圈LA断路。可能是LA根部焊接处锈蚀霉断,也可能是开关S击穿漏电后,在吸合状态LA线通过1.6A电流而无法分断造成LA烧损。LA、LB用线较细,分别为φ0.3mm和φ0.1mm,且LA绕在线圈骨架内层一旦烧损难 以重绕,可整体更换排水阀;如果在释放状态测得排水阀电阻比正常的106Ω小,说明LA线圈局部短路或漏电,取下LA用吹风机烘干无效时,应更换排水阀。
4)工作线图LB断路或局部短路。若排水阀电阻在释放状态为110Ω( 正常值106Ω),压下衔铁时为无穷大,即可断定LB断路。此时通电工作,LA将衔铁吸下后,由于LB断路无电流,所以衔铁立即释放,开关s闭合,LA得电又将衔铁吸下,随即街铁又释放,如此反复吸、放,时间稍长就会损坏排水阀。LB断路可能是焊接处霉断,或绕制过程中漆包线弯折造成通电后烧断。如释放状态排水阀电阻小于106Ω,且压下衔铁后电阻小于3.1kΩ,可判断为LB局部短路或漏电,严重时会使线圈发热,线圈骨架变形,造成衔铁卡阻。LB 损坏后,必须更换排水阀。
(3)衔铁卡阻,活动受阻。正常情况下,用手下压衔铁应比较轻松松手后在弹簧作用下,衔铁复位应正常。若手压衔铁感到卡滞,松手后衔铁不复位,则活动机构有故障。故障主要原因如下:-是衔铁滑道缺油干涩或积有污垢,使衔铁下行(吸合)受阻而无法开启排水橡胶阀。清除滑道污后并滴几滴润滑油即可。二是因热导致线圈骨架变形,应更换排水阀。三是由于刹车机构也受衔铁吸合控制,当棘爪控制调节螺丝角度不正确,将刹车机构的运行“顶死”不能活动时,衔铁无法吸合到位。
处理方法是将螺丝固定片按顺时针方向用力扳过一个小小角度,使螺丝尖端与刹车机构在接触时,又能滑动又能转动即可。
(4)排水系统堵塞。主要是排水管被压扁、弯折角度过大或被衣物毛线等脏物堵死,不能进行排水。调整好排水阀并清除脏堵物即可。
例2:洗涤过程中,排水不停止。
分析检修:排水不停止与上例不排水故障的原因刚好相反,前者是排水阀打不开或排水管路堵塞后者则是排水阀不关闭、关不严或洗涤桶漏水引起的。主要是排水驱动电路工作失常或排水阀机械故障造成的,故障判断及检修方法如下:
(1)排水驱动电路(参看图2)工作异常。判断方法是:在非排水程序(如洗涤)运行状态,拔下P3插头后测V28-V31整流输出电压,正常值应为0Ω,若有200V左右直流电压,说明排水驱动控制电路有故障。进一 步判断故障部位,可测CPU 23脚电压正常时应为低电平(小于0.3V),若为高电平(大于3.6V),肯定是CPU不良(内部电阻损坏或工作程序紊乱),应更换CPU;如果23脚输出正常则为外电路有故障,最多见的V7、VS3、C20击穿或严重漏电,更换不良元件,故障即可排出。
(2)橡胶阀体不能复位。一般是橡胶阀老化、变形对排水口封闭不严;复位弹簧锈蚀折断或弹力变弱,无法使衔铁复位;阀体联动杆松脱或调节过长,造成出水口封堵不严。
(3)杂物阻卡。阀体与排水口间积有杂物造成橡胶阀关不严,衔铁滑道积垢后活动不灵活,或阀体被异物(如钮扣等)卡住而无法关闭。
(4)棘爪和棘轮不啮合。棘爪和棘轮错位,衔铁释放时不能啮合,使排水阀不能关闭。
(5)洗衣桶漏水。桶体破裂的情况很少,大多因排水管与桶间的封堵胶垫损坏造成的。
网友评论