故障现象1:上电后面板上所有指示灯都不亮。分析检修:用万用表检查电源插座和电源线都正常。拆机检查,发现与电源输入线串联的温度保险丝已断路。该温度保险丝的规格是10A/250V/135°C,换用10A /250V/142°C的温度保险丝后试机,故障排除。温度保险丝开路,多因饭锅与电热盘间接触不好、热阻大所致,常见原因有锅底变形或发热盘上残留有饭粒等杂物。
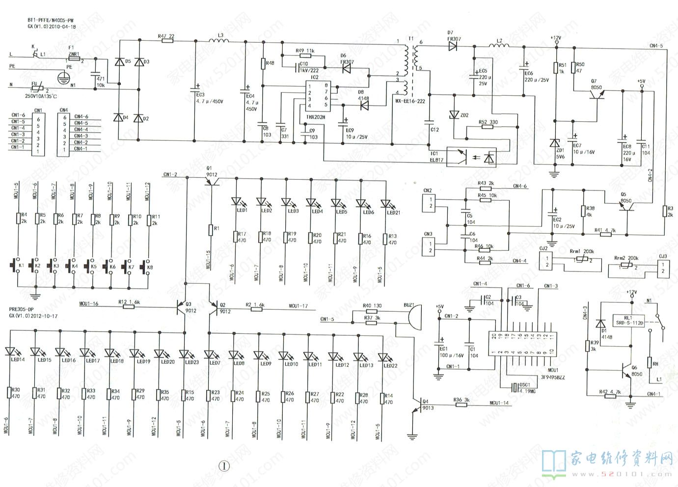
故障现象2:在煮饭过程中,当盖顶有蒸汽冒出时,机内蜂鸣器鸣叫,且“预约时间"②~⑥灯闪烁。有时拔下插头后,开盖再关上或降温几分钟后,再上电,电饭煲又能工作,但仍会重复出现上述故障现象。分析检修:该机有两块电路板:一块是CPU板(型号:PRE305-DP),含键盘和LED显示;另一块是电源板(型 号:BT1-PFFE/N4005-PW),含发热盘控制、锅顶和锅底温度采集。从故障现象看,电源应该正常,怀疑是单片机控制电路有问题。笔者实绘出该机电路如图1所示。
按钮K和指示灯LED对应的功能如图2所示。
从电原理图上看,该电饭煲通过测量锅底和锅盖温度来控制发热盘工作。上电测得电源板输出电压正常,转向检查锅顶和锅底的温度传感器,发现锅盖温度传感器的一端引线似断非断,剥开该引线外面的热缩套管后,该连线脱落。焊接好该处连接线后上电试用,故障消失。
笔者在检修过程中,发现该机还具有以下特点:
(1)若底盘热敏电阻开路, 则上电后蜂鸣器鸣响,且LED4、LED5、LED11和LED15闪亮,即面板上的“煮粥”、“快煮”、“超快煮"和“煲仔饭"指示灯闪烁。
(2)若插座CN4④脚电压大于1.5V,继电器RL的触点断开,反之触点闭合。CN4④脚电压大于4V,则蜂鸣器鸣呜叫,且指示灯LED6、LED20、LED18、LED2、LED21闪烁;
(3)若CN4 ⑥脚电压大于4.4V,则蜂鸣器鸣叫,且指示灯LED8、LED15、LED14、LED23、 LED22、LED7闪烁。

网友评论