本文以海尔XQG50-807型滚筒洗衣机为例,介绍该系列洗衣机电控板的维修实例,供同行参考。该洗衣机外观与电控板安装位置如图1、图2所示,电控板外形如图3、图4所示。

一、电源供电部分原理与常见故障检修

1.工作原理

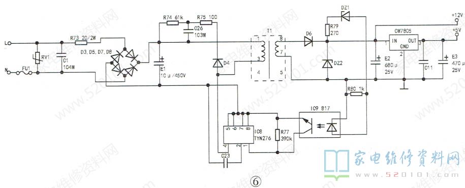
      开关电源电路原理图,如图6所示。AC220V电源经过电路板“细线”替代的保险丝FU1后并接了压敏电阻,用于防止瞬间的高电压进入板子,损坏、烧毁器件,之后火线串接了2W的限流电阻,连接到由四颗二极管组成的整流桥,整流输出的直流电经E1电解电容滤波后经开关变压器的①、③脚后直接加到TNY276开关管模块IC8的④脚,期间由R74、R75、D4等组成尖峰脉冲吸收电路,防止开关管“通/断”期间反峰电压击穿管子。当开关电源工作时,从开关变压器次级⑧脚输出经D6二极管整流滤波后的直流电并接了稳压管DZ2,确保输出电压的稳定,同时还串接了稳压取样电路中的DZ1稳压管,如果输出电压偏高,IC9(817 )光耦初级电流变大,发光变强,次级导通变强,用于调整、减弱TNY276模块内的开关管的导通频率,从而间接控制、降低与稳定输出电压。输出+12V的电压供继电器等使用以及经过7805三端稳压块后输出+5V电压供CPU等使用。输出电压偏低的分析方法雷同,本处不再累赘!

2.常见故障检修

     例1:一台xQG50-807滚筒洗衣机,上电后指示灯不亮,整机无反应。

     分析检修:测量用户家的AC220V正常,打开洗衣机顶盖,没有发现线路破损的现象。测量滤波器,如图7所示,输入与输出电压均有AC220V,初步估计问题应该在电控板。

     卸下电控板,通入AC220V电压,使用万用表测量全波整流输出有DC311V,但是测量开关变压器次级D6二极管阴极电压为0V,估计次级负载短路所致。断电后,测量次级D6输出直流电阻为02,故障范围肯定在D6或之后的电路器件,当万用表检测到12V稳压管DZ2时,发现该管子如图8所示,已击穿损坏,导致次级输出短路。更换新的12V稳压管IN4742后,故障修复,通电指示灯工作,上电瞬间蜂鸣器工作,机子恢复正常。

      例2:一台xQG50-807滚筒洗衣机,上电后指示灯不亮,整机无反应。

      分析检修:上门维修,检查市电正常,洗衣机线路无损,估计电控板损坏所致。測量开关电源次级输出端无+12V、+5V电压,测量开关电源初级输入端有AC220V,整流滤波后有DC314V,初步估计开关电源不起振导致。测量TNY276模块的④脚与热地(⑤~⑧脚)有147k正常,测量光耦输入与输出级正常,当检测到稳压管DZ1时,发现已经双向击穿导通损坏,导致光耦器输入端无供电,输出端不工作,致使开关管模块IC8不起振,所以没电压输出。更换新的DZ1,11V稳压管(型号:IN5241B)后,如图9所示,故障修复。

      例3:一台xQG50-807滚筒洗衣机,上电后指示灯会亮,但各功能失常。

      分析检修:上门检查,上电后发现该洗衣机指示灯会亮,但是各功能失常。测量市电有AC220V,整流桥输出有DC310V正常,当检测开关电源次级D6输出仅有DC4.3V,说明次级输出电源异常,断电后对开关电源的稳压、模块等测量均正常,此时发现次级的滤波电解电容E2有鼓涨现象,烙铁卸下后使用万用表电容档测量其容量为0uF/25V,问题已查出,就是此电解电容无容量导致D6整流后电压值低的现象,同时还听到开关变压器“吱吱”的声音,说明开关变压器已经严重超负荷。更换680uF/25V以.上容量和耐压的电解电容后故障排除,开关电源“吱吱"声音也消失了,恢复正常。

二、延时门锁与发热丝控制电路原理与常见故障维修

1.电路原理

       延时门锁与发热丝控制电路原理图,如图10所示。

      当机子上电时,LN经电源滤波器EMI后,火线并接门锁PTC、触点的一端后直接加到发热丝继电器开关JK1的一端;零线端一路接主板的开关电源,另一路接到继电器JK2触点的一端。当按压电源键主板得电工作时,指示灯点亮,CPU的四脚送出高电平到IC6, ULN2003反相器的③脚,从④脚输出低电平,使JK2继电器线圈两端有12V的电压继电 器工作,触头闭合,门锁内部的PTC有AC220V电压,双金属片发热变形延时1-3分钟后,门锁开关6A触头闭合,送电到进水、排水线圈一端。

       当需要温水洗涤时,CPU的写脚输出高电平送到ULN2003的⑦脚,从①脚输出低电平,从而使JK1继电器线圈两端有12V 的电压,继电器工作,17A触头闭合,送电到发热丝对水温加热。

2.常见故障检修

       例1:一台xQG50-807滚筒洗衣机,上电后指示灯会亮,蜂鸣器发出“滴、滴”的报警声音。

       分析检修:上门检查,按电源键,面板指示灯会亮,同时蜂鸣器发出“滴、滴"的报警声音,洗衣机洗涤、脱水功能都不能启动。检查开关电源+12V、+5V输出的电压正常,测量门锁,如图11所示的1、3端有AC220V,但是门锁触头就是不闭合导致进水、排水阀不供电而发出“滴、滴"的报警声音。撬开门锁后发现内部的PTC (热敏电阻)已经碎裂损坏,如图12所示,更换新的门锁后故障排除。

       例2:一台XQG50 -807滚筒洗衣机,不能进行温水洗涤。

       分析检修:上门检查,调整程序选择旋钮至任意一个温水洗涤的功能时,都不能对水进行加热,实现温水洗涤。以为发热丝烧毁,断电后测量发热丝阻值30Ω,正常。再次调至温水洗涤功能,进水阀进水完毕,测量发热丝两端接线柱没有AC220V电压,顺着线路找到继电器JK1,其线圈两端有12V电压,说明是继电器触头不闭合,导致此故障。

       近几年陆续接修了好几台继电器触头损坏导致发热丝不工作的机子换用质量更好的欧姆龙品牌20A继电器后故障排除。

三、进/排水阀控制电路原理与常见故障检修

1.控制电路工作原理

      控制电路原理图如图13所示。当启动洗衣机工作时,门锁开关闭合,给进排水阀等供电。选择程序功能旋钮,启动洗衣机洗涤功能,在未达到设定水位时,水位开关常闭触点闭合,CPU 30脚输出低电平,经IC6,ULN2003反相器②脚入,从15脚输出高电平,启动瞬间CPU检测过零信号,产生一个上升沿的触发脉冲,这时双向可控硅TR2的T2、T1极导通,主洗进水电磁阀线圈得电,滚筒洗衣机开始进水。

      排、脱水时,当水位开关检测到桶内压力低(无水)时,水位开关触点闭合,CPU 32脚输出低电平送到ULN2003反相器的①脚从16脚输出高电平,启动瞬间CPU检测过零信号,产生一个上升沿的触发脉冲,通过电阻R54后加至双向可控硅的控制脚,TR1的T2、T1极导通,排水泵的线圈有AC220V,进行排水工作。

2.常见故障检修

      例:一台xQG50-807滚筒洗衣机,插上电源插头后,洗衣机的进水阀不受控制马上进水。

      分析检修:上门检查,开始以为进水阀线路短路,细查后未发现问题。依着线路查到电控板的CN3线排插头的第三根红色线,查看该线接的是板子的TR2贴片双向可控硅,断电后使用万用表测量其T2、T1极阻值e经为0Ω,说明击穿导通损坏。检测其周边的器件正常,由于手头没有现成的贴片可控硅,故使用1A以上分立双向可控硅代替(安装时注意位置与高度或在板子反面使用硅胶固定安装器件,并通过引线连接线路与可控硅)后,故障排除。

      上电前注意测量负载(进水阀线圈)有无短路,如果负载短路,严禁通电试机,否则会导致新换上的可控硅再次击穿短路。同理,排水泵可控硅击穿炸裂的几率也比较大,维修过程中必须查清楚短路源后方可再次通电。

四、电源启动与程序选择控制电路原理与常见故障检修

1.电源启动与程序选择控制电路工作原理

      电源启动原理示意图如图14所示:当按下电源启动按钮sw1后,+5V供电通过R72限流后,送出高电平到CPU⑦脚,随即启动开机程序(对于突然断电,主板具有掉电记忆功能)。

      程序选择原理:机子上电开机后,调节程序选择旋钮(该旋钮为脉冲电位器),每旋调一次,就发出一个脉冲信号,与CPU内部的程序中的时序比较,以确定程序器选定的功能。

2.常见故障检修

      例:一台xQG50-807滚筒洗衣机,不能调节选择程序。分析检修:上门检查,发现该程序选择旋钮由于体积相对其他器件较大,而且经常旋转使用,同时固定该旋钮与板子的金属片太小,导致不牢固,致使电位器三根脉冲焊脚松脱。补焊后故障排除。

五、按键指示灯控制电路原理与常见故障检修

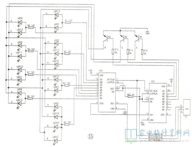
1.按键指示灯控制电路工作原理

      按键指示灯控制电路原理图如图15所示。按下电源开关后,调节“程序选择”按钮或按下“速度、强力去污、启动/暂停”键,在对应面板上都会有相应指示灯显示,说明用户已选择该功能。每按下任意按钮,CPU④脚送出串行数据到IC3.IC4,经移位、寄存传输后从IC4的①、②、③脚送出驱动控制的高电平,对应N3~N1贴片三极管工作;通过IC3片选芯片后的信号从对应的引脚送出高电平+5V到各路受控的发光二极管。发光二极管的阴极通过N1~N3控制接地,点亮控制面板对应选择功能的二极管。

2.常见故障检修

      例:一台xQG50-807型滚筒洗衣机,面板上“快洗”和“速度”指示灯不亮。分析检修:上门检查,发现该机指示灯不能显示全,给用户使用带来麻烦。拆开顶盖,当用螺丝刀动一下电控板时,居然不显示的指示灯在选择程序按钮时都会被点亮,估计连线松脱所致。细查外围电路没问题,断电拆下电控板后发现板子的IC3(74HC595 )⑤脚虚焊,导致选择“快洗功能”的程序时指示灯"快洗”和“速度”指示灯不亮。补焊后机器修复。由于电路元件使用的都是贴片集成块,管脚相对密集焊点较少,当上锡量不足时,常导致虚焊松脱的情况发生。

六、串激式电机控制电路原理与常见故障检修

1.串激式电机控制原理

     串激式电机控制电路原理图如图16所示。当电机洗涤正转时,从CPU的26脚输出低电平送到IC6( ULN2003 )的⑥脚,经反相后从11脚输出高电平,启动瞬间CPU检测过零信号,产生一个上升沿的触发脉冲,可控硅控制脚的脉宽调制信号(PWM)对转速进行控制。11脚输出信号经R61接至双向可控硅的控制脚,可控硅触发导通,此时电源L(火线)经电刷、转子、电刷后接到继电器控制线路流出,经继电器JK5的2-1触头接入继电器JK3,JK3得电,触头1-2断开,1-3接通,电流进入可控硅的T2极,由于此时可控硅TR4已触发导通工作,I2与T1极导通接至电源零线(N),所以电机得电正转。

     当电机洗涤反转时,从CPU的26脚输出低电平送到IC6( ULN2003 )的⑥脚,经反相后从11脚输出高电平,启动瞬间CPU检测过零信号,产生一个上升沿的触发脉冲,其转速是受到可控硅控制脚的脉宽调制信号(PWM)实现调速。接R61 电阻后直接连接双向可控硅的控制脚,可控硅触发导通,此时电源L(火线)经电刷、转子、电刷后接到继电器控制线路,电流流经JK3继电器的2-1触头后进入JK5继电器的1-2端,电流从定子绕组的2端流入,1端流出后接到JK4继电器的1-2端, 再接到可控硅TR4的T2极,此时由于可控硅处于导通的工作状态,T1极直接接到零线N端,电机得电反转。

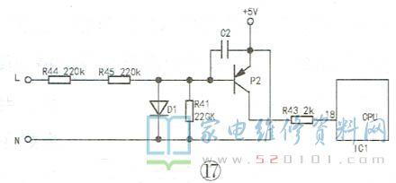
2.过零检测电路

     过零检测电路是指为CPU提供一个标准的外部时钟源,准确反映市电正弦波的过零情况。家用电器控制器中在--些可控硅控制的转速类电机的场合一般有过零检测电路,能实现对电机的转速同步与控制。目前常用的过零检测电路有以下几种方式:变压器后取信号(二极管及三极管)、变压器前取信号(三极管非隔离及光耦隔离)和非隔离过零检测电路。本机采用的是变压器前取信号(三极管非隔离),如图17所示。其作用可以理解为给CPU提供一个标准,这个标准的起点是零电压,可控硅导通角的大小就是依据这个标准。也就是说洗涤与脱水电机转速不一样,可控硅都对应一个导通角,而每个导通角的导通时间是从零电压开始计算的,导通时间不一样,导通角度的大小就不一样,因此电机的转速就不一样。

3.常见故障检修

     例1:一台xQG50-807滚筒洗衣机,洗涤时只有单向运转。分析检修:该机使用的是串激式电机,主要靠继电器工作实现电流的换向,改变运转方向。机子能单相运转,说明TR4双向可控硅等控制电路正常,问题出在继电器。细查后发现其中有-个继电器JK4的触头烧蚀,出现得电时会动作但不能正常闭合的现象。用10A/DC12V的继电器将其更换,故障排除。

     例2:一台xQG50-807型滚筒洗衣机,关好门未按启动按钮,机子就自动单向连续运转。分析检修:上门检查,发现机子只要一关好洗衣机门,无需按压任何按钮就会自动单向连续运转。查遍了继电器未见异常,电机正常,线路无短路碰线的现象,当使用万用表测量可控硅TR4时,发现TI、T2极已经击穿短路(参见图14所示)。更换TR4( BTA416Y )后故障排除。此时只要已关好门,门锁触头闭合送电,L和N分别接到定子绕组两端,电机得电运转。维修时只要更换的双向可控硅 电流大于16A/800V的即可替换。